D373W hard seal butterfly valve adopts precision J-shaped elastic sealing ring and three eccentric multi-layer metal hard seal structure, is widely used in the medium temperature ≤ 325 ℃ of the gold, electric power, petrochemical industry, as well as water supply and drainage and municipal construction and other industrial pipelines, for regulating the flow rate and cut off the fluid use.
Product Features
- This valve employs a triple-eccentric sealing structure, featuring virtually no wear between the seat and disc. It exhibits a self-tightening sealing function that becomes tighter over time.
- The sealing ring is made of stainless steel, combining the dual advantages of a metal hard seal and an elastic seal. It delivers excellent sealing performance under both low and high temperatures, featuring corrosion resistance and a long service life.
- The disc plate sealing surface is overlaid with cobalt-based hard alloy, ensuring wear resistance and extended service life.
- Large-sized butterfly valves feature a truss structure, offering high strength, large flow area, and low flow resistance.
Product Parameters
Product Model | D373W-16P |
Valve Body Material | 304 Stainless Steel |
Nominal Pressure | ≤1.6Mpa |
Applicable Media | Water, Steam, Oil, etc. |
Applicable Temperature | ≤325℃ |
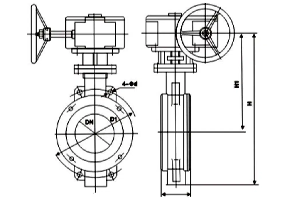
Product Size Reference

DN | L | H1 | H | D1 | n-d |
50 | 43 | 255 | 350 | 125 | 4-18 |
65 | 46 | 280 | 370 | 145 | 4-18 |
80 | 49 | 285 | 380 | 160 | 8-18 |
100 | 56 | 310 | 420 | 180 | 8-18 |
125 | 64 | 310 | 460 | 210 | 8-18 |
150 | 70 | 315 | 555 | 240 | 8-22 |
200 | 71 | 380 | 605 | 295 | 12-22 |
250 | 76 | 460 | 680 | 355 | 12-26 |
300 | 83 | 475 | 825 | 410 | 12-26 |
350 | 92 | 510 | 900 | 470 | 16-26 |
400 | 102 | 550 | 980 | 525 | 16-30 |
450 | 114 | 590 | 1030 | 585 | 20-30 |
500 | 127 | 610 | 1105 | 650 | 20-33 |
600 | 154 | 660 | 1310 | 770 | 20-36 |
700 | 165 | 730 | 1435 | 840 | 24-36 |
800 | 190 | 810 | 1605 | 950 | 24-39 |
900 | 203 | 930 | 1745 | 1050 | 28-39 |
1000 | 216 | 1020 | 1885 | 1170 | 28-42 |













闽公网安备35058302350968号















