H12W-16P acero inoxidableLa función de una válvula antirretorno vertical es impedir el reflujo del medio dentro de la tubería. Las válvulas antirretorno pertenecen a la categoría de válvulas automáticas, en las que el mecanismo de cierre se abre o se cierra automáticamente bajo la fuerza del medio que fluye. Las válvulas antirretorno se utilizan exclusivamente en tuberías en las que el medio fluye en una sola dirección, impidiendo el reflujo del medio.
Características del producto
- Con una estructura compacta, tamaño reducido y peso ligero.
- El disco de la válvula se cierra rápidamente, minimizando la presión del golpe de ariete.
- La trayectoria del flujo no presenta obstrucciones y ofrece una baja resistencia al fluido; funciona con rapidez y ofrece un excelente rendimiento de sellado.
- Fácil de instalar, apto para montaje en tuberías horizontales y verticales.
- La placa de la válvula incorpora un diseño con un resorte de torsión montado en la placa de acoplamiento, lo que permite que la placa de la válvula se cierre rápidamente por su propio impulso.
- Gracias a su rápida acción de cierre, evita el reflujo del medio y elimina eficazmente los efectos del golpe de ariete.
Parámetros del producto
Modelo del producto | H12W-16P |
Material del cuerpo de la válvula | Acero inoxidable 304 |
Presión nominal | ≤1,6Mpa |
Medio aplicable | Agua, gas, petróleo, etc. |
Temperatura de funcionamiento | ≤150°C |
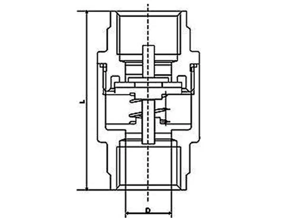
Referencia del tamaño del producto

Diámetro interior | L | D |
DN15 | 59 | 18.5 |
DN20 | 68 | 24 |
DN25 | 79 | 25 |
DN32 | 89 | 29 |
DN40 | 98 | 44 |
DN50 | 118 | 56 |
DN65 | 147 | 65 |

















