HC41X muffling check valve cocok untuk sistem pasokan air untuk mencegah aliran balik media pada pipa, sistem untuk mencapai aliran media satu arah, ada tekanan ke spool, sehingga pegas dikompresi, katup dengan cepat terbuka, ketika media mengalir ke arah sebaliknya, pegas mendorong tekanan spool ke kursi, katup yang ditutup. HC41X muffling check valve dengan desain khusus untuk memastikan katup bekerja dengan lancar, tidak ada getaran dan kebisingan saat menutup, menghilangkan bentuk suara palu air yang dihasilkan saat menutup katup. Menghilangkan suara palu air yang dihasilkan saat check valve ditutup.
Penggunaan Produk
Digunakan untuk semua katup untuk mencegah aliran balik media dalam sistem perpipaan.
Prinsip Kerja
Katup ini ke pusat poros pemandu prinsip antar-jemput tekanan diferensial poros pemandu dan penutupan cepat (di muka) yang dibantu pegas, start-up pompa, saluran aliran air penuh, mengurangi hambatan aliran, sehingga sistem bekerja secara efektif.
Parameter Produk
Model Produk | HC41X-16Q |
Bahan badan katup | besi ulet |
阀芯材质 | 304 baja tahan karat |
Tekanan nominal | ≤1.6Mpa |
Media yang berlaku | air dan sebagainya |
Suhu yang berlaku | ≤80°C |
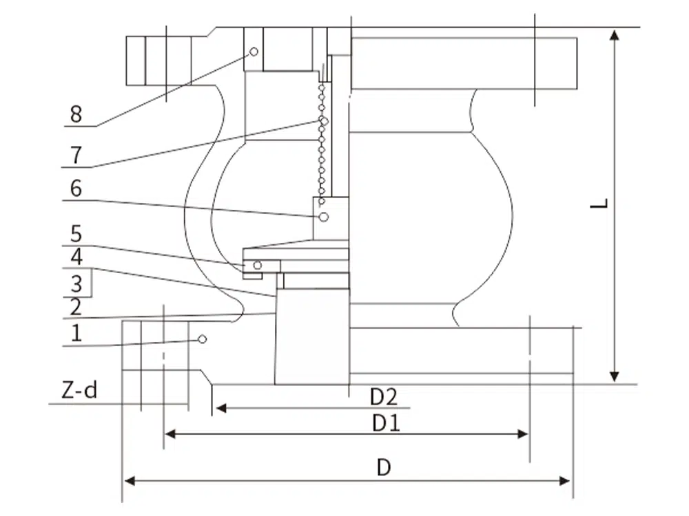
Referensi Ukuran Produk

jalan raya | L | D | D1 | Z-d |
DN40 | 110 | 150 | 110 | 4-18 |
DN50 | 120 | 160 | 125 | 4-18 |
DN65 | 136 | 180 | 145 | 4-18 |
DN80 | 151 | 195 | 160 | 8-18 |
DN100 | 165 | 215 | 180 | 8-18 |
DN125 | 190 | 245 | 210 | 8-18 |
DN150 | 206 | 280 | 240 | 8-22 |
DN200 | 248 | 335 | 295 | 12-22 |
DN250 | 285 | 405 | 355 | 12-26 |
DN300 | 290 | 460 | 410 | 12-26 |
DN350 | 330 | 520 | 470 | 16-26 |
DN400 | 330 | 580 | 525 | 16-30 |



















