D373H қатты тығыздалған вафлилік көбелек клапаны дәл J-тәрізді серпімді тығыздағыш пен үш ексцентрлі көпқабатты металл қатты тығыздау құрылымын пайдаланады. Ол металлургия, энергетика, мұнай-химия, су жабдықтау және кәріз, сондай-ақ муниципалдық құрылыс саласындағы өнеркәсіптік құбыр желілерінде ортаның температурасы 325 °C-тан аспайтын жағдайда кеңінен қолданылады. Бұл клапан сұйықтық ағынын реттеу және оны тоқтату үшін қызмет етеді.
Өнімнің сипаттамалары
- Бұл клапан үш ексцентрлі тығыздау механизмін қолданады, бұл отырғызылатын беті мен диск арасындағы тозуды іс жүзінде жояды. Оның өздігінен қатайтын тығыздау функциясы ұзақ жұмыс істеген сайын барған сайын тиімдірек болады.
- Мөр сақинасы тот баспайтын болаттан жасалған, қатты металл мөр мен серпімді мөрдің қос артықшылықтарын біріктіреді. Ол төмен және жоғары температуралық жағдайларда тамаша тығыздау өнімділігін қамтамасыз етеді, коррозияға төзімді және ұзақ қызмет ету мерзіміне ие.
- Дискті табақшаның тығыздау беті кобальт негізіндегі қатты қорытпамен қаптау дәнекерлеу әдісімен өңделген, бұл тозуға төзімділікті және ұзақ қызмет ету мерзімін қамтамасыз етеді.
- Үлкен өлшемді баттерфляй клапандар торлы құрылымды пайдаланады, бұл оларға жоғары беріктік, үлкен ағын ауданы және төмен ағын қарсылығын қамтамасыз етеді.
Өнімнің сипаттамалары
Өнім моделі | D373H-16C |
Валв корпусының материалы | қорытпа болат |
Номиналды қысым | ≤1,6 МПа |
Қолданылатын орта | Су, бу, мұнай өнімдері және т.б. |
Жұмыс температурасы | ≤325°C |
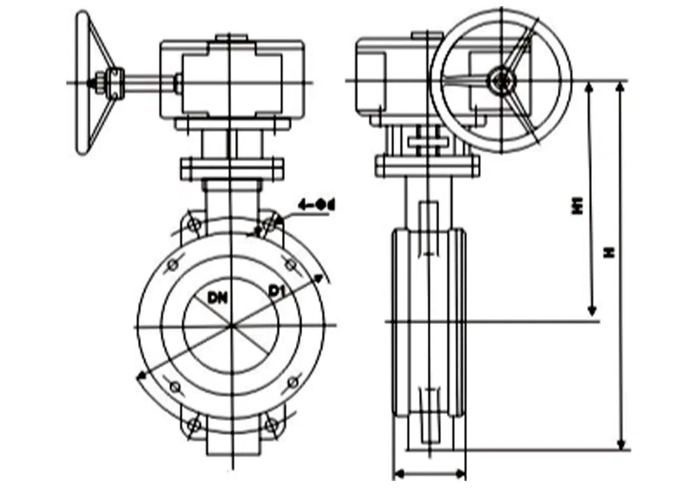
Өнім өлшемдеріне сілтеме

DN | L | H1 | H | D1 | n-d |
50 | 43 | 255 | 350 | 125 | 4-18 |
65 | 46 | 280 | 370 | 145 | 4-18 |
80 | 49 | 285 | 380 | 160 | 8-18 |
100 | 56 | 310 | 420 | 180 | 8-18 |
125 | 64 | 310 | 460 | 210 | 8-18 |
150 | 70 | 315 | 555 | 240 | 8-22 |
200 | 71 | 380 | 605 | 295 | 12-22 |
250 | 76 | 460 | 680 | 355 | 12-26 |
300 | 83 | 475 | 825 | 410 | 12-26 |
350 | 92 | 510 | 900 | 470 | 16-26 |
400 | 102 | 550 | 980 | 525 | 16-30 |
450 | 114 | 590 | 1030 | 585 | 20-30 |
500 | 127 | 610 | 1105 | 650 | 20-33 |
600 | 154 | 660 | 1310 | 770 | 20-36 |
700 | 165 | 730 | 1435 | 840 | 24-36 |
800 | 190 | 810 | 1605 | 950 | 24-39 |
900 | 203 | 930 | 1745 | 1050 | 28-39 |
1000 | 216 | 1020 | 1885 | 1170 | 28-42 |













闽公网安备35058302350968号















