500X қысымды сақтайтын релиз клапаны өрт сөндіру немесе басқа су жабдықтау жүйелерінде жүйедегі артық қысымды болдырмау немесе өрт сөндіру су жабдықтау жүйелерінде қысымды сақтау үшін қолданылады. Сонымен қатар ол өрт сорғылары өшірілген кезде су соққысының әсерін азайтады және ірі көлемді су жабдықтау жүйелеріндегі су соққысынан қорғайтын құрылғыларда пайдаланылады. 500X қысымды сақтайтын рельефті клапан гидравликалық басқарылатын құбыр жүйесінде негізгі клапаннан, рельефтік механизмнен, қысымды сақтайтын пилоттық ине клапанынан, шар клапанынан, микро сүзгіштен және манометрден тұрады. Гидравликалық автоматтандыруды пайдалана отырып, ол рельефті клапан және қысымды сақтайтын клапан ретінде бір уақытта қызмет атқарады. Қысымды босату клапаны ретінде жұмыс істегенде ол беріліс желісіндегі қысымды алдын ала орнатылған қауіпсіздік шегінен төмен ұстайды. Қысымды ұстап тұру клапаны ретінде жұмыс істегенде ол кіріс су қысымын белгіленген мәннен жоғары ұстап, осылайша негізгі клапанның алдындағы қысымды сақтайды. Бұл өнім өздігінен басқарылатын гидравликалық басқаруды пайдаланады, қосымша құрылғылар мен энергия көздерін қажет етпейді, бұл қарапайым техникалық қызмет көрсетуді және көпфункционалды жұмысты қамтамасыз етеді. Бұл клапандар сериясы биік ғимараттарға, тұрғын аудандарға және қалалық сумен жабдықтау жобаларына арналған сумен жабдықтау желілік жүйелерінде кеңінен қолданылады.
Өнімнің сипаттамалары
Өнім моделі | 500X-16Q |
Валв корпусының материалы | Сұйықталғыш темірі |
Номиналды қысым | ≤1,6 МПа |
Қолданылатын орта | су және т.б. |
Жұмыс температурасы | ≤80°C |
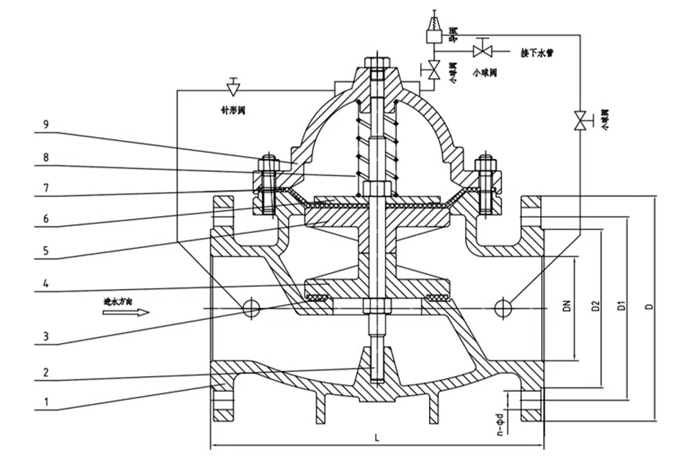
Өнім өлшемдеріне сілтеме

Бор | L | D | D1 | D2 | b | f | n-d |
DN40 | 215 | 150 | 110 | 88 | 18 | 3 | 4-18 |
DN50 | 215 | 165 | 125 | 102 | 18 | 3 | 4-18 |
DN65 | 230 | 185 | 145 | 122 | 18 | 3 | 4-18 |
DN80 | 255 | 200 | 160 | 138 | 20 | 3 | 8-18 |
DN100 | 290 | 220 | 180 | 158 | 20 | 3 | 8-18 |
DN125 | 285 | 250 | 210 | 188 | 22 | 3 | 8-18 |
DN150 | 365 | 285 | 240 | 212 | 22 | 3 | 8-22 |
DN200 | 430 | 340 | 295 | 268 | 24 | 3 | 12-22 |













闽公网安备35058302350968号















