Q14F-16P тот баспайтын болаттан жасалған екі бөліктен тұратын шарикті кран L-тәрізді тройник конфигурациясын пайдаланады, негізінен құбыр желісіндегі ағынды бағыттау және тарату үшін қызмет етеді. Құлып корпусы, шар және басқа да негізгі бөлшектер жоғары сапалы тот баспайтын болаттан жасалған, ал тығыздау PTFE (политетрафторэтилен) жұмсақ тығыздау құрылымын пайдаланады. Бұл дизайн коррозия мен тотқа төзімділікті, тамаша тығыздау өнімділігін және жеңіл басқарылуын қамтамасыз етеді. Мұнай-газ, химия, металлургия, энергетика және қалалық инфрақұрылым салаларында кеңінен қолданылып, жоғары температуралы және жоғары қысымды сұйықтықтармен, мысалы мұнай, табиғи газ, химиялық заттар және бумен жұмыс істейді. Сонымен қатар, ол әртүрлі сұйықтық жүйелерін басқарады және қалалық су жабдықтау мен кәріз желілерін реттейді.
Өнімнің сипаттамалары
- Сұйықтық кедергісі төмен, оның кедергі коэффициенті сол ұзындықтағы құбыр бөлігінің коэффициентіне тең.
- Құрылымы қарапайым, көлемі ықшам және салмағы жеңіл.
- Қатты әрі сенімді шар клапандарының тығыздау беттері қазіргі таңда кеңінен пластикалық материалдардан жасалып, тамаша тығыздау қасиеттерін ұсынады. Олар сондай-ақ вакуум жүйелерінде де кеңінен қолданылады.
- Пайдалануға оңай, ашып-жабуы жылдам, толықтай ашық күйден толықтай жабық күйге тек бір айналыммен ауысуы қашықтан басқаруға ыңғайлы.
- Шар клапандары құрылысы жағынан қарапайым және техникалық қызмет көрсетуі оңай, тығыздағыштары әдетте алынбалы болғандықтан, оларды бөлшектеу және ауыстыру қарапайым.
Өнімнің сипаттамалары
Өнім моделі | Q14F-16P |
Валв корпусының материалы | 304 тот баспайтын болат |
Таралу түрі | L-тәрізді |
Номиналды қысым | ≤1,6 МПа |
Қолданылатын орта | су, газ, мұнай өнімдері және т.б. |
Жұмыс температурасы | ≤120°C |
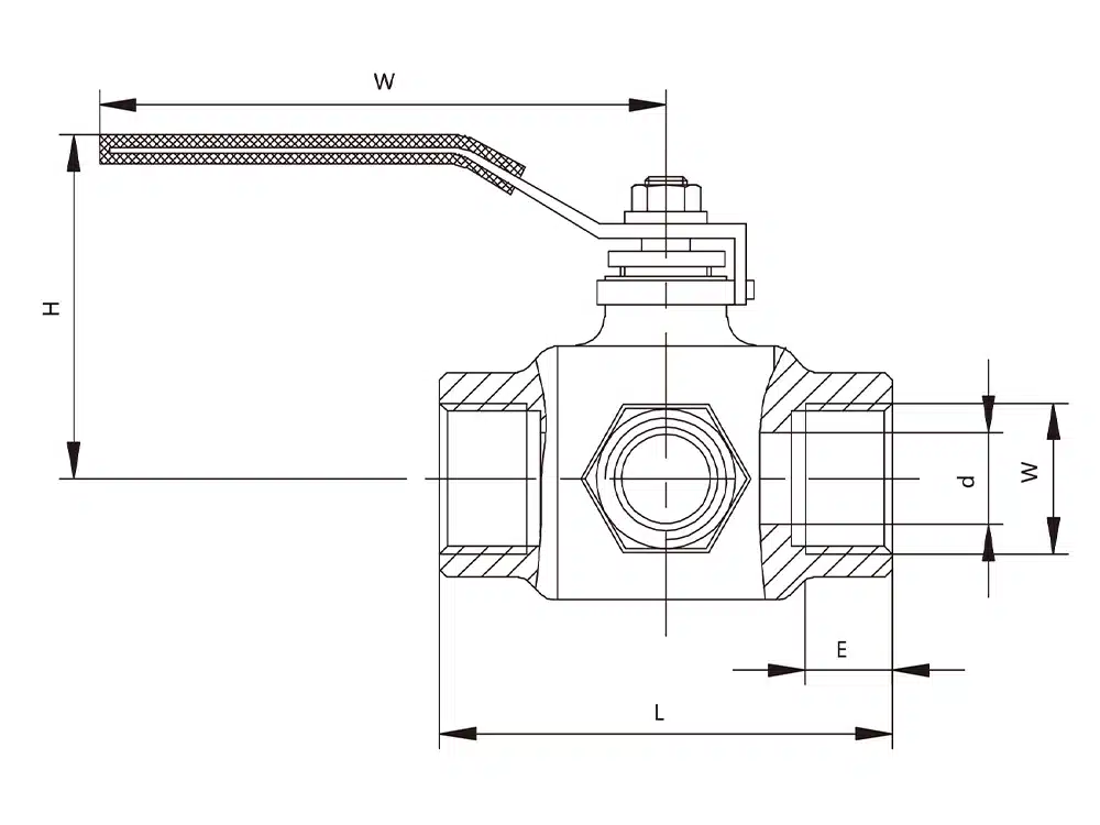
Өнім өлшемдеріне сілтеме

Бор | G | L | d | H | W |
DN8 | 1/4 | 68 | 10.5 | 58 | 110 |
DN10 | 3/8 | 68 | 12 | 58 | 110 |
DN15 | 1/2 | 68 | 12 | 58 | 110 |
DN20 | 3/4 | 79 | 15 | 60 | 130 |
DN25 | 1 | 86 | 20 | 70 | 140 |
DN32 | 1-1/4 | 112 | 25 | 82 | 155 |
DN40 | 1-1/2 | 130 | 32 | 95 | 175 |
DN50 | 2 | 140 | 38 | 100 | 175 |

















