Válvula de esfera de flange Q41F-16 para válvula de esfera de vedação macia de material de ferro fundido, a válvula de esfera de ferro fundido é usada na temperatura de trabalho ≤ 150 ℃ de água, vapor e outras tubulações de meios não corrosivos, para abertura e fechamento; suas vantagens para a abertura e o fechamento rápido são a temperatura normal da aplicação da tubulação de meio aquoso de produtos de válvula mais comuns.
Características do produto
- A resistência do fluido é pequena, as válvulas de esfera de diâmetro total basicamente não têm resistência ao fluxo.
- Estrutura simples, tamanho pequeno e peso leve.
- Apertados e confiáveis, os materiais da superfície de vedação da válvula de esfera atual são amplamente utilizados em PTFE, com boa vedação.
- Fácil de operar, rápido para abrir e fechar, de totalmente aberto a totalmente fechado com uma rotação de 90°.
- Manutenção conveniente, a estrutura da válvula de esfera é simples, a vedação é geralmente ativa, a desmontagem e a substituição são mais convenientes.
- Quando totalmente aberta ou totalmente fechada, as superfícies de vedação da esfera e da sede ficam isoladas do meio, e a passagem do meio não causará erosão das superfícies de vedação da válvula de esfera.
- Devido às suas propriedades de limpeza durante a abertura e o fechamento, as válvulas de esfera podem ser usadas em meios com partículas sólidas em suspensão.
Parâmetro do produto
Modelo do produto | Q41F-16 |
Material do corpo da válvula | ferro fundido cinzento |
Pressão nominal | ≤1,6Mpa |
Mídia aplicável | Água, vapor, óleo |
Temperatura aplicável | ≤150°C |
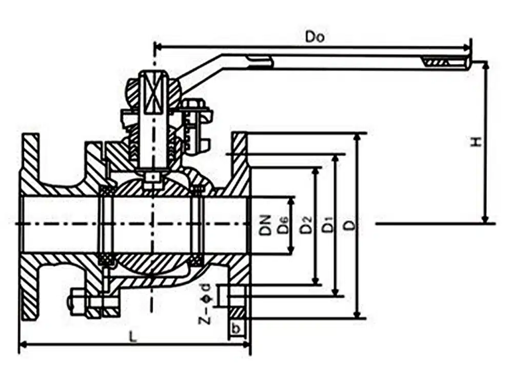
Referência do tamanho do produto

uma via pública | L | D | D1 | D2 | f | b | Z-d | H | Fazer |
DN15 | 130 | 95 | 65 | 45 | 2 | 14 | 4-14 | 78 | 160 |
DN20 | 145 | 105 | 75 | 55 | 2 | 16 | 4-14 | 110 | 160 |
DN25 | 155 | 115 | 85 | 65 | 2 | 16 | 4-14 | 110 | 160 |
DN32 | 160 | 135 | 100 | 78 | 2 | 18 | 4-18 | 115 | 160 |
DN40 | 175 | 145 | 110 | 85 | 3 | 18 | 4-18 | 150 | 250 |
DN50 | 200 | 160 | 125 | 100 | 3 | 20 | 4-18 | 150 | 250 |
DN65 | 220 | 180 | 145 | 120 | 3 | 20 | 4-18 | 180 | 350 |
DN80 | 250 | 195 | 160 | 135 | 3 | 22 | 8-18 | 185 | 350 |
DN100 | 280 | 215 | 180 | 155 | 3 | 24 | 8-18 | 225 | 400 |
DN125 | 350 | 245 | 210 | 185 | 3 | 26 | 8-18 | 265 | 600 |
DN150 | 400 | 280 | 240 | 210 | 3 | 26 | 8-23 | 275 | 600 |
DN200 | 455 | 335 | 295 | 265 | 3 | 30 | 12-23 | 310 | 800 |

















