A válvula de retenção de elevação H41W é adequada para tubulações de diâmetro médio e pequeno sob várias pressões, temperaturas e meios para controlar o dispositivo de abertura e fechamento para conectar ou cortar o meio da tubulação; depende do peso próprio da aba da válvula e da diferença de pressão do fluido para interromper automaticamente o refluxo do fluido. As válvulas de retenção de elevação H41W são amplamente utilizadas nas áreas de tratamento de água, indústria química, indústria petroquímica, petróleo, fabricação de papel, mineração, energia elétrica, gás liquefeito de petróleo, alimentos, indústria farmacêutica, abastecimento de água e drenagem, governo municipal, indústria eletrônica, construção urbana, proteção ambiental, combate a incêndios, aquecimento e resfriamento, ar condicionado central, equipamentos de filtragem e outras áreas. proteção ambiental, proteção contra incêndio, HVAC, ar condicionado central, equipamentos de filtragem e outros campos.
Características estruturais
- A válvula de retenção de elevação tem as vantagens de uma estrutura simples, ação confiável, fácil manutenção e assim por diante.
- Quando o fluido da seta do corpo da válvula mostra a direção do fluxo para o corpo da válvula, a pressão do fluido atua na aba da válvula para produzir um impulso para cima; quando o impulso do fluido é maior do que a gravidade da aba da válvula, a válvula se abre. Quando a pressão do fluido após a válvula sobre a força da válvula mais a gravidade da própria válvula é maior do que a pressão antes da válvula sobre a força da válvula, a válvula é fechada para impedir o refluxo do fluido.
- A superfície de vedação não é fácil de ser desgastada e abrasada, proporcionando melhor vedação e vida útil mais longa.
Parâmetro do produto
Modelo do produto | H41W-16P |
Material do corpo da válvula | Aço inoxidável 304 |
Pressão nominal | ≤1,6Mpa |
Mídia aplicável | Água, vapor, óleo, etc. |
Temperatura aplicável | ≤150°C |
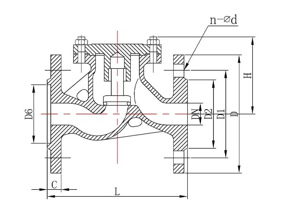
Referência do tamanho do produto

uma via pública | L | D | D1 | D2 | C | n-∅d | H |
DN15 | 130 | 95 | 65 | 45 | 14 | 4-14 | 77 |
DN20 | 150 | 105 | 75 | 55 | 14 | 4-14 | 77 |
DN25 | 160 | 115 | 85 | 65 | 14 | 4-14 | 80 |
DN32 | 180 | 135 | 100 | 78 | 16 | 4-18 | 85 |
DN40 | 200 | 145 | 110 | 85 | 16 | 4-18 | 95 |
DN50 | 230 | 160 | 125 | 100 | 16 | 4-18 | 105 |
DN65 | 290 | 180 | 145 | 120 | 18 | 4-18 | 120 |
DN80 | 310 | 195 | 160 | 135 | 20 | 8-18 | 130 |
DN100 | 350 | 215 | 180 | 155 | 20 | 8-18 | 140 |
DN125 | 400 | 245 | 210 | 185 | 22 | 8-18 | 155 |
DN150 | 480 | 280 | 240 | 210 | 24 | 8-23 | 180 |
DN200 | 600 | 335 | 295 | 265 | 26 | 12-23 | 211 |
DN250 | 650 | 405 | 355 | 320 | 30 | 12-25 | 260 |
DN300 | 750 | 460 | 410 | 375 | 30 | 12-25 | 323 |
DN350 | 850 | 520 | 470 | 435 | 30 | 16-25 | / |
DN400 | 950 | 580 | 525 | 485 | 36 | 16-30 | / |

















