H44W поворотный обратный клапан принимает внутреннюю поворотную структуру коромысла, все открывающие и закрывающие части клапана установлены внутри корпуса клапана, не проникают в корпус клапана, в дополнение к средним фланцевым частям с уплотнительной прокладкой и уплотнительным кольцом, все не имеет внешней точки утечки. Широко используется в химической промышленности, металлургии, фармацевтике и других областях.
Принцип работы
Поворотный обратный клапан H44W имеет внутреннюю поворотную структуру, заслонка клапана вращается вокруг поворотной оси, заслонка клапана открывается под действием давления жидкости, и жидкость течет от входной стороны к выходной стороне. Когда давление на входе ниже, чем на выходе, заслонка клапана автоматически закрывается под действием разницы давления жидкости, силы тяжести и других факторов для предотвращения обратного потока жидкости.
Характеристики товара
- Используется в системах водоснабжения и водоотведения, пожаротушения, HVAC, промышленных и других системах.
- Он может эффективно снижать давление гидроудара, обладает хорошей герметичностью и закрывается без шума.
- Конструкция водяного контура жидкостного типа с внутренними жидкостными проводниками обеспечивает минимальную потерю давления.
- Установленный на выходе насоса может быть быстро закрыт перед обратным потоком воды, чтобы избежать гидроудара, ударного звука воды и удара сломанного пина, чтобы предотвратить обратный поток и защитить оборудование.
Параметры продукта
Модель продукта | H44W-16P |
Материал корпуса клапана | 304 нержавеющая сталь |
Номинальное давление | ≤1.6Mpa |
Применяемая среда | Вода, пар, масло и т.д. |
Применяемая температура | ≤150°C |
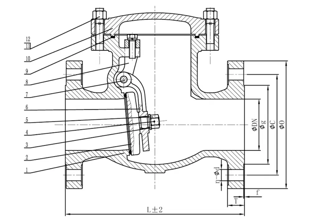
Ссылка на размер изделия

проезжая часть | L | O | C | g | T | f | n-φd |
DN15 | 130 | 95 | 65 | 45 | 14 | 2 | 4-14 |
DN20 | 150 | 105 | 75 | 55 | 14 | 2 | 4-14 |
DN25 | 160 | 115 | 85 | 65 | 14 | 2 | 4-14 |
DN32 | 180 | 135 | 100 | 78 | 16 | 2 | 4-18 |
DN40 | 200 | 145 | 110 | 85 | 16 | 3 | 4-18 |
DN50 | 230 | 160 | 125 | 100 | 16 | 3 | 4-18 |
DN65 | 290 | 180 | 145 | 120 | 18 | 3 | 4-18 |
DN80 | 310 | 195 | 160 | 135 | 20 | 3 | 8-18 |
DN100 | 350 | 215 | 180 | 155 | 20 | 3 | 8-18 |
DN125 | 400 | 245 | 210 | 185 | 22 | 3 | 8-18 |
DN150 | 480 | 280 | 240 | 210 | 24 | 3 | 8-23 |
DN200 | 550 | 335 | 295 | 265 | 26 | 3 | 12-23 |













闽公网安备35058302350968号















