วาล์วลูกบอลไฟฟ้าแบบสองชิ้นใช้โครงสร้างตัววาล์วสองขั้นตอนที่จับคู่กับตัวกระตุ้นไฟฟ้า ที่นั่งของวาล์วใช้การออกแบบซีลแบบยืดหยุ่น ซึ่งช่วยให้การปิดผนึกเชื่อถือได้และการทำงานที่ง่ายดาย ก้านวาล์วมีโครงสร้างติดตั้งด้านล่างพร้อมซีลย้อนกลับ ป้องกันการหลุดของก้านวาล์วในกรณีที่เกิดแรงดันผิดปกติภายในช่องวาล์ว มีฟังก์ชันการทำงานที่แข็งแกร่ง ขนาดกะทัดรัด โครงสร้างน้ำหนักเบา ประสิทธิภาพที่เชื่อถือได้ การติดตั้งที่ง่าย และความสามารถในการไหลสูงปัจจุบัน วาล์วนี้มีการใช้งานอย่างแพร่หลายในระบบควบคุมอัตโนมัติทางอุตสาหกรรมในหลากหลายภาคส่วน รวมถึงการแปรรูปอาหาร การปกป้องสิ่งแวดล้อม อุตสาหกรรมเบา ปิโตรเลียม การผลิตกระดาษ วิศวกรรมเคมี อุปกรณ์การศึกษาและวิจัย และการผลิตพลังงาน
คุณสมบัติของสินค้า
วาล์วลูกบอลไฟฟ้าแบบสองชิ้นมีข้อดีหลายประการ ได้แก่ การเดินสายไฟที่ง่าย โครงสร้างกะทัดรัด ขนาดเล็ก น้ำหนักเบา ความต้านทานต่ำ และการทำงานที่เสถียรและเชื่อถือได้ เหมาะสำหรับใช้กับสื่อต่างๆ เช่น น้ำ ไอน้ำ น้ำมัน กรดไนตริก และกรดอะซิติก
ข้อมูลจำเพาะของสินค้า
รุ่นสินค้า | Q911F-16P |
วัสดุของตัววาล์ว | เหล็กinox 304 |
การกำหนดค่าการควบคุม | การสลับ/การควบคุม |
แรงดันไฟฟ้าแบบเลือกได้ | AC 220V/AC 380V/DC 24V |
ความดันตามชื่อ | ≤1.6 เมกะปาสคาล |
สื่อที่ใช้ได้ | น้ำ, แก๊ส, น้ำมัน, และผลิตภัณฑ์น้ำมัน, เป็นต้น |
อุณหภูมิในการทำงาน | ≤120°C |
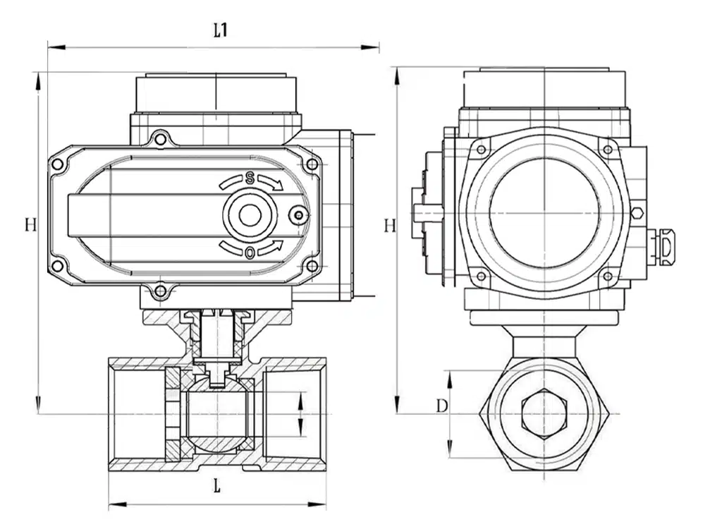
ขนาดอ้างอิงของผลิตภัณฑ์

บอร์ | D | L | L1 | H |
DN15 | 15 | 62 | 170 | 201 |
DN20 | 20 | 74 | 170 | 209 |
DN25 | 25 | 86 | 170 | 213 |
DN32 | 32 | 96 | 170 | 219 |
DN40 | 40 | 108 | 170 | 224 |
DN50 | 50 | 120 | 200 | 248 |
DN65 | 65 | 160 | 200 | 310 |
DN80 | 80 | 185 | 261 | 340 |
DN100 | 100 | 225 | 261 | 360 |

















