วาล์วผีเสื้อแบบแผ่นเวเฟอร์ติดด้ามจับรุ่น D71F-16Q เหมาะสำหรับใช้ในท่อส่งที่สะอาดในอุตสาหกรรมอาหาร ยา และเคมี รวมถึงการปกป้องสิ่งแวดล้อมอุตสาหกรรม การบำบัดน้ำ อาคารสูง และท่อส่งน้ำสำหรับการเปิด ปิด หรือควบคุมการไหลของสื่อ วาล์วผีเสื้อของวาล์วเวเฟอร์นี้ติดตั้งในทิศทางเส้นผ่านศูนย์กลางของท่อส่งภายในช่องทรงกระบอกของตัววาล์ว แผ่นผีเสื้อรูปทรงกลมจะหมุนรอบแกนของมันเองเป็นมุมตั้งแต่ 0° ถึง 90° เมื่อหมุนถึง 90° วาล์วจะอยู่ในตำแหน่งเปิดเต็มที่
คุณสมบัติของสินค้า
- กะทัดรัดและน้ำหนักเบา ง่ายต่อการประกอบ ถอด และบำรุงรักษา และสามารถติดตั้งได้ในทุกตำแหน่ง
- โครงสร้างเรียบง่ายและกะทัดรัด พร้อมการหมุน 90° อย่างรวดเร็วเพื่อการเปิดและปิดที่ฉับไว
- แรงบิดในการทำงานต่ำ ประหยัดแรง และมีน้ำหนักเบา
- ลักษณะการไหลมีแนวโน้มเป็นเชิงเส้น พร้อมด้วยประสิทธิภาพการควบคุมที่ยอดเยี่ยม
- ประตูได้ผ่านการทดสอบการเปิดและปิดหลายหมื่นครั้ง แสดงให้เห็นถึงความคงทนที่ยอดเยี่ยม
- บรรลุการปิดผนึกที่สมบูรณ์โดยไม่มีก๊าซรั่วไหลระหว่างการทดสอบ
ข้อมูลจำเพาะของสินค้า
รุ่นสินค้า | D71F-16Q |
วัสดุของตัววาล์ว | เหล็กหล่อเหนียว |
วัสดุแผ่นวาล์ว | เหล็กหล่อเหนียว/สแตนเลส 304 |
วัสดุยางบุ | พีทีเอฟอี (โพลีเตตระฟลูออโรเอทิลีน) |
ความดันตามชื่อ | ≤1.6 เมกะปาสคาล |
สื่อที่ใช้ได้ | น้ำ, แก๊ส, น้ำมัน, และผลิตภัณฑ์น้ำมัน, เป็นต้น |
อุณหภูมิในการทำงาน | ≤150°C |
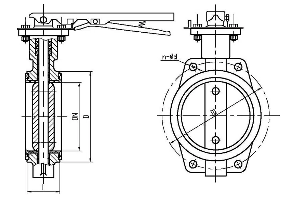
ขนาดอ้างอิงของผลิตภัณฑ์

บอร์ | L | D | D1 | n-Фd |
DN40 | 42 | 86 | 110 | 4-23 |
DN50 | 42 | 86 | 125 | 4-23 |
DN65 | 44.7 | 86 | 145 | 4-26.5 |
DN80 | 45.2 | 86 | 160 | 8-18 |
DN100 | 52.1 | 100 | 180 | 4-24.5 |
DN125 | 54.4 | 100 | 210 | 4-23 |
DN150 | 55.8 | 100 | 240 | 4-25 |
DN200 | 60.6 | 152 | 295 | 4-25 |
DN250 | 65.6 | 152 | 355 | 4-29 |
DN300 | 76.9 | 152 | 410 | 4-29 |













闽公网安备35058302350968号















