วาล์วผีเสื้อแบบหน้าแปลนซีลแข็งรุ่น D343H ใช้แหวนซีลยางรูปตัว J ที่มีความแม่นยำและโครงสร้างซีลแข็งโลหะหลายชั้นแบบสามวงแหวนเยื้องศูนย์กลางอย่างแม่นยำ วาล์วนี้ถูกใช้อย่างแพร่หลายในท่อส่งอุตสาหกรรมสำหรับการหล่อโลหะ การผลิตพลังงาน ปิโตรเคมี การ급น้ำและการระบายน้ำ และการก่อสร้างเมือง ที่อุณหภูมิของสื่อไม่เกิน 325°C วาล์วนี้มีหน้าที่ควบคุมการไหลและปิดกั้นของเหลว
คุณสมบัติของสินค้า
- วาล์วนี้ใช้กลไกการซีลแบบสามวงแหวนที่ไม่สมมาตร ซึ่งช่วยให้แทบไม่มีการสึกหรอระหว่างที่นั่งและแผ่นดิสก์ วาล์วนี้ยังมีฟังก์ชันซีลแบบแน่นอัตโนมัติที่แน่นขึ้นเมื่อใช้งาน
- แหวนซีลผลิตจากสแตนเลสสตีล ซึ่งผสานข้อดีของซีลโลหะที่มีความแข็งแรงและซีลยางที่มีความยืดหยุ่นเข้าไว้ด้วยกัน ให้ประสิทธิภาพการซีลที่ยอดเยี่ยมทั้งในสภาวะอุณหภูมิต่ำและสูง พร้อมคุณสมบัติต้านทานการกัดกร่อนและอายุการใช้งานยาวนาน
- พื้นผิวซีลแผ่นดิสก์ใช้การเชื่อมโลหะผสมแข็งชนิดเคลือบด้วยโคบอลต์ ซึ่งช่วยเพิ่มความทนทานต่อการสึกหรอและยืดอายุการใช้งาน
- วาล์วผีเสื้อขนาดใหญ่ใช้โครงสร้างแบบทรัส ซึ่งให้ความแข็งแรงสูง พื้นที่การไหลขนาดใหญ่ และแรงต้านทานการไหลต่ำ
ข้อมูลจำเพาะของสินค้า
รุ่นสินค้า | D343H-16C |
วัสดุของตัววาล์ว | เหล็กหล่อ |
ความดันตามชื่อ | ≤1.6 เมกะปาสคาล |
สื่อที่ใช้ได้ | น้ำ, ไอน้ำ, ผลิตภัณฑ์น้ำมัน, เป็นต้น |
อุณหภูมิในการทำงาน | ≤325℃ |
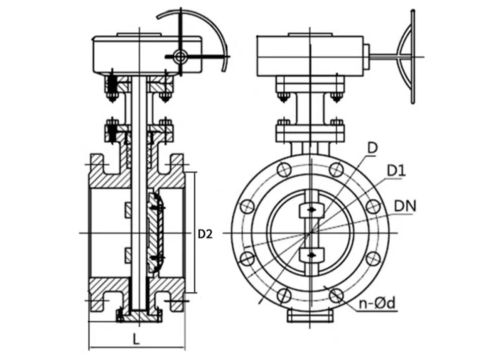
ขนาดอ้างอิงของผลิตภัณฑ์

ดีเอ็น | L | D | D1 | D2 | n-d |
50 | 108 | 165 | 125 | 99 | 4-18 |
65 | 112 | 185 | 145 | 118 | 4-18 |
80 | 114 | 200 | 160 | 132 | 8-18 |
100 | 127 | 220 | 180 | 156 | 8-18 |
125 | 140 | 250 | 210 | 184 | 8-18 |
150 | 140 | 285 | 240 | 211 | 8-22 |
200 | 152 | 340 | 295 | 266 | 12-22 |
250 | 165 | 405 | 355 | 319 | 12-26 |
300 | 178 | 460 | 410 | 370 | 12-26 |
350 | 190 | 520 | 470 | 429 | 16-26 |
400 | 216 | 580 | 525 | 480 | 16-30 |
450 | 222 | 640 | 585 | 548 | 20-30 |
500 | 229 | 715 | 650 | 609 | 20-33 |
600 | 267 | 840 | 770 | 720 | 20-36 |













闽公网安备35058302350968号















