CARX-16Q复合式排气阀用于管路上的最高点或有闭气的地方,排除管内的气体来疏通管道,达到正常工作,如不装排气阀,管内流动的液体产生动热引起气体,形成短路,使管道出水容量达不到要求,其次,管道运转时出现停电、停泵管道会出现负压力,而会引起管道振动或破裂,排(吸)气阀就迅速把空气吸入管内,防止管道振动或破裂。
工作原理
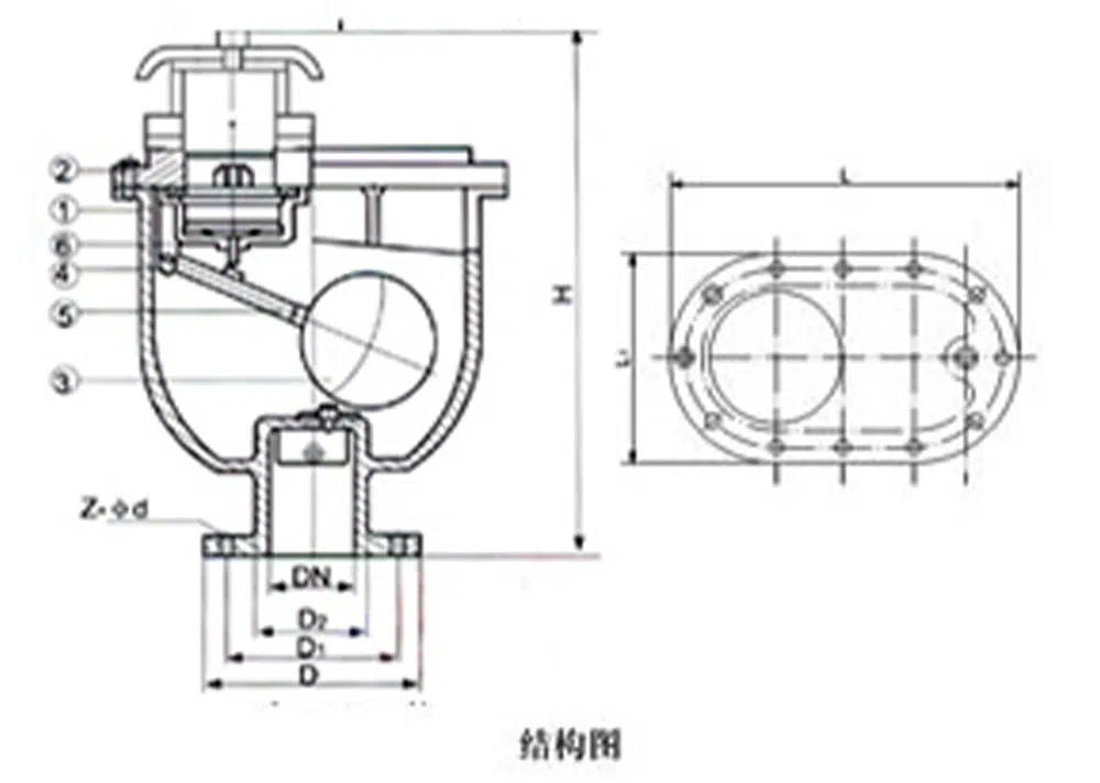
在管道注水阶段,大量气体涌入复合式排气阀 。此时,阀内的大孔排气口迅速打开,实现快速排气。随着管道内水位上升,气体压力增大,小孔排气口开始工作,排出微量气体。当管道内充满水且气体基本排净时,浮球在浮力作用下上升,关闭排气口,防止水的泄漏。
工作特点
- 高效排气:具备大、小两种排气口,能适应不同排气需求,实现高效排气。
- 稳定密封:优质的密封材料和合理的结构设计,保证了良好的密封性能,避免了介质泄漏。
- 耐用可靠:采用高强度材料制造,能够承受管道系统中的压力和温度变化,具有较长的使用寿命。
应用领域
广泛应用于城市供水、消防、暖通空调以及工业管道等系统,有效保障了系统的稳定运行。
安装与维护
安装时应注意安装方向和位置,确保排气效果。定期对排气阀进行检查和维护,清理内部杂质,检查密封部件的磨损情况,以保证其正常工作。
产品参数
产品型号 | CARX-16Q |
阀体材质 | 球墨铸铁 |
公称压力 | ≤1.6Mpa |
适用介质 | 清水 |
适用温度 | ≤80℃ |
产品尺寸参考

通径 | D | D1 | L | L1 | H |
DN25 | 115 | 85 | 285 | 185 | 365 |
DN40 | 145 | 110 | 285 | 185 | 365 |
DN50 | 160 | 125 | 285 | 185 | 365 |
DN65 | 180 | 145 | 285 | 185 | 375 |
DN80 | 195 | 160 | 300 | 200 | 395 |
DN100 | 215 | 180 | 300 | 200 | 415 |
DN150 | 280 | 240 | 340 | 210 | 455 |
DN200 | 335 | 295 | 340 | 210 | 475 |















