D343W型硬密封法兰蝶阀采用精密的J形弹性密封圈和三偏心多层次金属硬密封结构,被广泛用于介质温度≤325℃的治金、电力、石油化工、以及给排水和市政建设等工业管道上,作调节流量和截断流体使用。
产品特点
- 本阀采用三偏心密封结构,阀座与蝶板几乎无磨损,具有越观越紧的密封功能。
- 密封圈选用不锈钢制作,具有金属硬密封和弹性密封的双重优点,无论在低温和高温的情况下,均具有优良的密封性能,具有耐腐蚀,使用寿命长等特点。
- 碟板密封面采用堆焊钴基硬质合金,密封面耐磨损,使用寿命长。
- 大规格蝶板采用绗架结构,强度高,过流面积大,流阻小。
产品参数
产品型号 | D343W-16P |
阀体材质 | 304不锈钢 |
公称压力 | ≤1.6Mpa |
适用介质 | 水、蒸汽、油品等 |
适用温度 | ≤325℃ |
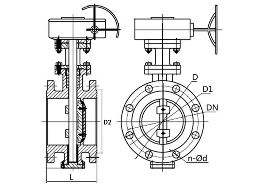
产品尺寸参考

DN | L | D | D1 | D2 | n-d |
50 | 108 | 165 | 125 | 99 | 4-18 |
65 | 112 | 185 | 145 | 118 | 4-18 |
80 | 114 | 200 | 160 | 132 | 8-18 |
100 | 127 | 220 | 180 | 156 | 8-18 |
125 | 140 | 250 | 210 | 184 | 8-18 |
150 | 140 | 285 | 240 | 211 | 8-22 |
200 | 152 | 340 | 295 | 266 | 12-22 |
250 | 165 | 405 | 355 | 319 | 12-26 |
300 | 178 | 460 | 410 | 370 | 12-26 |
350 | 190 | 520 | 470 | 429 | 16-26 |
400 | 216 | 580 | 525 | 480 | 16-30 |
450 | 222 | 640 | 585 | 548 | 20-30 |
500 | 229 | 715 | 650 | 609 | 20-33 |
600 | 267 | 840 | 770 | 720 | 20-36 |













闽公网安备35058302350968号















