J41B氨用截止阀具有密封性能稳定、使用安全可靠、耐腐蚀性强、无介质内、外漏以及操作轻便等特点,成功解决了化工管道用普通阀门耐腐蚀性能差、壳体易穿孔以及密封性能差、易泄露的难题。特别适用于化工行业氨气,燃气管道的传送,并满足长期可靠使用的要求,其密封性、可维修性、安全性等。广泛应用于冷冻、制冷、化工、石油、食品、冶炼、液化气等行业。
产品特点
- 针对普通阀门耐腐蚀性能差、壳体易穿孔的缺点,根据介质具体特性,氨气专用阀在阀体材料上选用耐腐蚀钢(低温碳素钢添加耐蚀合金元素),可耐氨气、液氨腐蚀,低温可至-40℃,最大限度保证工况条件使用要求。
- 氨用截止阀密封副配对结构型式采用球、平面型,密封自动补偿,达到双重保险的效果,密封性能稳定,无粘着磨损,有效地解决了化工管道用普通阀门密封性能差、易泄露的难题。
- 产品中法兰采用凹凸密封结构,即使在管道压力波动的情况下,保证中法兰密封绝对可靠。
- 上密封装置中采用多级聚四氟乙烯密封材料,形成组合密封,确保阀门在使用期限内填料函无介质泄露,消除了普通阀门填料函密封薄弱、介质易外漏,甚至造成事故的可能。
产品参数
产品型号 | J41B-25P |
阀体材质 | 304不锈钢 |
公称压力 | ≤2.5Mpa |
适用介质 | 氨气、氨液等 |
适用温度 | ≤120℃ |
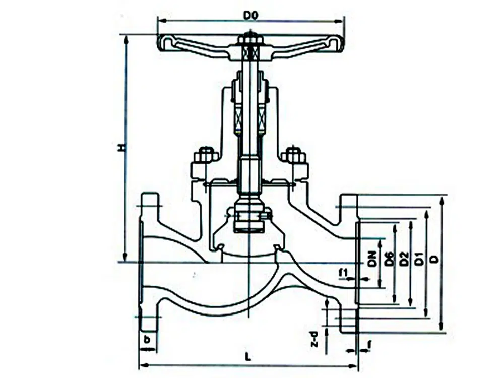
产品尺寸参考

DN | L | D | D1 | D2 | D6 | b | f | f1 | z-d |
15 | 130 | 95 | 65 | 45 | 40 | 16 | 2 | 4 | 4-14 |
20 | 150 | 105 | 75 | 55 | 51 | 18 | 2 | 4 | 4-14 |
25 | 160 | 115 | 85 | 65 | 58 | 18 | 2 | 4 | 4-14 |
32 | 180 | 135 | 100 | 78 | 66 | 20 | 2 | 4 | 4-18 |
40 | 200 | 145 | 110 | 85 | 76 | 20 | 3 | 4 | 4-18 |
50 | 230 | 160 | 125 | 100 | 88 | 22 | 3 | 4 | 4-18 |
65 | 290 | 180 | 145 | 120 | 110 | 24 | 3 | 4 | 8-18 |
80 | 310 | 195 | 160 | 135 | 121 | 26 | 3 | 4 | 8-18 |
100 | 350 | 230 | 190 | 160 | 150 | 30 | 3 | 4.5 | 8-23 |
125 | 400 | 270 | 220 | 188 | 176 | 32 | 3 | 4.5 | 8-25 |
150 | 480 | 300 | 250 | 218 | 204 | 32 | 3 | 4.5 | 8-25 |
200 | 600 | 360 | 310 | 278 | 260 | 34 | 3 | 4.5 | 12-25 |
250 | 650 | 425 | 370 | 335 | 310 | 36 | 3 | 4.5 | 12-30 |
300 | 750 | 485 | 430 | 390 | 364 | 40 | 3 | 4.5 | 16-30 |
















