美标法兰球阀的工作原理是靠旋转阀芯来使阀门畅通或关闭。球阀开关轻便,体积小,可以做成很大口径,密封可靠,结构简单,维修方便,密封面与球面常在闭合状态,不易被介质冲蚀,在各行业得到广泛的应用。二片式法兰球阀有着自身独有的优越性,如开关无摩擦,密封不易磨损,启闭力矩小,这样可以减小所配执行器的规格。广泛适用于石油化工城市给排水要求严格的工况。
工作原理
美标法兰球阀的关闭件是个带孔的球体(或部分球),球体随阀杆转动,实现阀门的开启或关闭。球阀在管路中主要用来做切断、分配和改变介质的流动方向。法兰球阀的球体是浮动的,在介质压力作用下,球体产生一定的位移并紧压在出口端的密封面上,保证出口端密封。在各种阀门中,球阀的流动阻力较小,球阀打开时,球体通道、阀体通道和连接管径相等并成一直径,介质几乎可以毫无损失的流过。
产品特点
- 安装简便,能以任意方向安装于管道中的任意部位。
- 优质的密封圈材料具有耐高温、耐高压、耐腐蚀之性能。
- 阀体内通道平整光滑,可以输送粘性流体、浆液以及固体颗粒。
- 使用广泛适用于水、蒸汽、油品、硝酸、醋酸、氧化性介质、尿素等多种介质。
产品参数
产品型号 | Q41F-150LBP |
阀体材质 | 304不锈钢 |
公称压力 | Class 150LB |
适用介质 | 水、蒸汽、油品等 |
适用温度 | ≤150℃ |
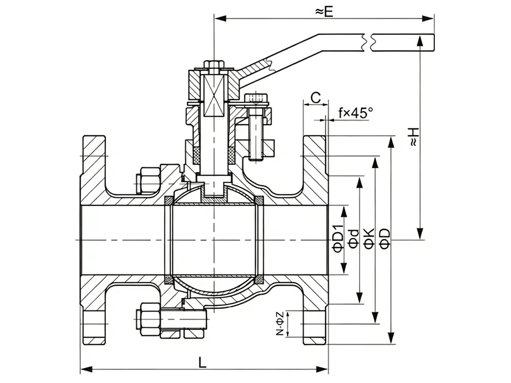
产品尺寸参考

NPS | D1 | d | K | D | f | C | N-Z | L | H | E |
1/2" | 15 | 34.9 | 60.3 | 90 | 2 | 10.0 | 4-16 | 108 | 79 | 125 |
3/4" | 20 | 42.9 | 69.9 | 100 | 2 | 10.9 | 4-16 | 117 | 82 | 125 |
1" | 25 | 50.8 | 79.4 | 110 | 2 | 11.6 | 4-16 | 127 | 102 | 155 |
1-1/4" | 32 | 63.5 | 88.9 | 115 | 2 | 13.2 | 4-16 | 140 | 106 | 155 |
1-1/2" | 38 | 73.0 | 98.4 | 125 | 2 | 14.7 | 4-16 | 165 | 128 | 240 |
2" | 50 | 92.1 | 120.7 | 150 | 2 | 16.3 | 4-19 | 178 | 135 | 240 |
2-1/2" | 65 | 104.8 | 139.7 | 180 | 2 | 17.9 | 4-19 | 190 | 145 | 280 |
3" | 78 | 127.0 | 152.4 | 190 | 2 | 19.5 | 4-19 | 203 | 160 | 320 |
4" | 98 | 157..2 | 190.5 | 230 | 2 | 24.3 | 8-19 | 229 | 180 | 320 |
5" | 123 | 185.7 | 215.9 | 255 | 2 | 24.3 | 8-22 | 356 | 252 | 530 |
6" | 148 | 215.9 | 241.3 | 280 | 2 | 25.9 | 8-22 | 394 | 285 | 630 |
8" | 198 | 269.9 | 298.5 | 345 | 2 | 29.0 | 8-22 | 457 | 385 | 800 |
10" | 248 | 323.8 | 362.0 | 405 | 2 | 30.6 | 12-25 | 533 | 485 | / |
12" | 298 | 381.0 | 431.8 | 485 | 2 | 32.2 | 12-25 | 610 | 545 | / |
14" | 348 | 412.8 | 476.3 | 535 | 2 | 35.4 | 12-29 | 686 | 635 | / |



















