您好,欢迎访问 耐斯富阀门制造(泉州)有限公司 官网!

球墨铸铁法兰球形止回阀 HQ41X-16Q

  • 产品型号:HQ41X-16Q
  • 阀体材质:球墨铸铁
  • 公称压力:≤1.6Mpa
  • 适用介质:水等
  • 适用温度:≤80℃
质量保障
性能可靠
技术支持
在线留言添加微信
电话/微信 +86 13382208259
  • 产品详情
  • 品牌优势
  • 采购流程

球型止回阀采用橡胶包覆滚球为阀瓣,在介质的作用下,可在阀体内的整体式滑道上作上下左右滚动,从而打开或关闭阀门。消声式关闭,不产生水锤,密封性能好。阀体采用全水流通道,流量大,阻力小,水头损失比旋启式小50%,最佳安装方式为垂直安装,可用于冷水、热水、工业及生活用水管网系统的水泵出口,防止介质倒流。

工作原理

球型止回阀的阀瓣是包覆橡胶或工程塑料的球体,因此其密封可靠。球型止回阀公称通径的大小,有单球和多球之分,其密封原理是:当开泵时,介质正向流动产生的介质压力推动球体运动,沿导柱离开阀座密封面,止回阀便开启,介质通过,当停泵时,介质反向流动的压力推动球体沿导柱滚动到阀座密封面,关闭止回阀,靠工作介质的压力,使球体阀瓣和阀座密封面间产生一定的密封比压,保证止回阀的密封,达到阻止介质逆流的目的。

产品参数

产品型号

HQ41X-16Q

阀体材质

球墨铸铁

公称压力

≤1.6Mpa

适用介质

水等

适用温度

≤80℃

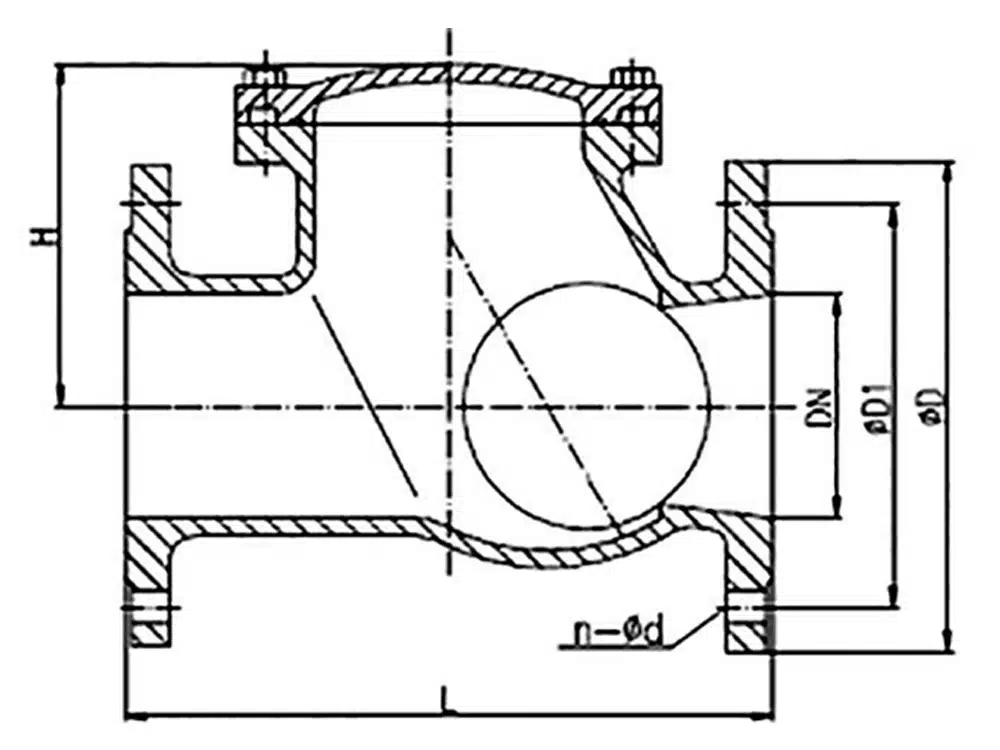
产品尺寸参考

通径

L

H

D

D1

n-d

DN40

200

98

150

110

4-18

DN50

200

98

165

125

4-18

DN65

220

115

185

145

4-18

DN80

245

128

200

160

8-18

DN100

270

145

220

180

8-18

DN125

310

180

250

210

8-18

DN150

330

210

285

240

8-22

DN200

375

260

340

295

12-22

微信微博在 Facebook 上XReddit品趣网LinkedInStumbleUponWhatsAppvKontakte复制链接

质量稳定

实行全过程质量监控,细致入微,全方位检测!

价格合理

高效内部成本控制,减少了开支,让利于客户!

交货快捷

先进生产流水线,充足的备货,缩短了交货期!

第一步:发送采购清单

请将采购清单发邮件到 [email protected],电话/微信:+86-13382208259,WhatsApp:+852-90445535。

第二步:提供报价和选型

收到客户采购清单后,我公司将为客户提供阀门报价「价格清单」和选型「阀门型号」服务。

第三步:商定具体事宜

具体事宜商定:交货期、特殊要求等细节确认。

微信
微信
微信
WhatsApp
在线留言

联系我们,为您提供专属服务!