您好,欢迎访问 耐斯富阀门制造(泉州)有限公司 官网!

铸铁手动调节阀 T40F-16

  • 产品型号:T40F-16
  • 阀体材质:灰铸铁
  • 公称压力:≤1.6Mpa
  • 适用介质:水等
  • 适用温度:≤100℃
质量保障
性能可靠
技术支持
在线留言添加微信
电话/微信 +86 13382208259
  • 产品详情
  • 品牌优势
  • 采购流程

T40F-16型手动调节阀:适用于工作压力≤1.6MPa、介质温度≤100℃的水或热水管路上作为调节流量之用。按顺时针旋转手轮即可关闭手动调节阀,这时阀杆带动阀瓣下降,直使两锥形密封面接触达到严密将管路关闭为止。

产品特点

  • 改善供热供况:凡是采用手动调节阀的支线及热力点都可以按着设计工况进行流量调节,达到良好的温度工况,这种调节阀比闸阀、截止阀调节性能好,它具有近似直线调节性能。因此,各采暖建筑物的冷热不均现象得到有力改善。
  • 节省能源:热力管网由于温度压力失调,造成某些分支流量过大,使一些建筑温度过高,用户不得不开窗户,达到节省能源的目的。
  • 改善网管水力的工况:手动调节阀能按照额定流量进行控制,将网管超量运行的流量降低,使原来的水工况恶化程度得到一定的改善。

产品参数

产品型号

T40F-16

阀体材质

灰铸铁

公称压力

≤1.6Mpa

适用介质

水等

适用温度

≤100℃

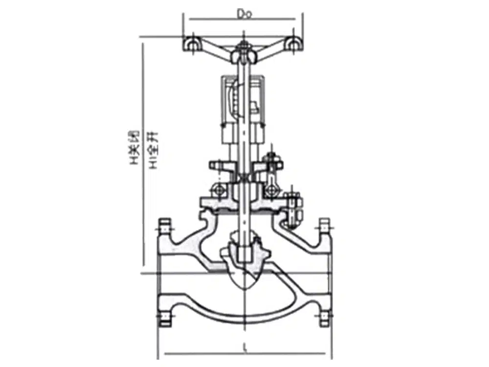
产品尺寸参考

1747384454 结构图

通径

L

DN25

160

DN32

180

DN40

200

DN50

230

DN65

290

DN80

310

DN100

350

DN125

400

DN150

480

DN200

600

微信微博在 Facebook 上XReddit品趣网LinkedInStumbleUponWhatsAppvKontakte复制链接

质量稳定

实行全过程质量监控,细致入微,全方位检测!

价格合理

高效内部成本控制,减少了开支,让利于客户!

交货快捷

先进生产流水线,充足的备货,缩短了交货期!

第一步:发送采购清单

请将采购清单发邮件到 [email protected],电话/微信:+86-13382208259,WhatsApp:+852-90445535。

第二步:提供报价和选型

收到客户采购清单后,我公司将为客户提供阀门报价「价格清单」和选型「阀门型号」服务。

第三步:商定具体事宜

具体事宜商定:交货期、特殊要求等细节确认。

微信
微信
微信
WhatsApp
在线留言

联系我们,为您提供专属服务!