黄铜三通旋塞阀是柱塞形的旋转阀主要用于连接压力表,底部采用可简易调整的螺帽锁紧结构,一头4分连接管道,另一头M20*1.5连接压力表。压力表与存水弯管之间,装有三通旋塞,它是用来冲洗存水弯管,水压试验用表与工作压力表的切换,装接标准压力表与工作压力表的校验,同时也是装卸压力表不可少的重要附件。旋塞密封面之间运动带有擦拭作用,而在全开时可以防止与流动介质的接触,故它通常也能用于带悬浮颗粒的介质。通过旋转90度使阀塞上的通道口与阀体上的通道口相同或分开,系实现开启或关闭的一种阀门。旋塞阀具有结构简单、开关迅速、流体阻力小等特点。
应用领域
广泛用于热力、电厂、自来水、城建、市政、石油、石化、新能源、造纸、采矿、燃气、化工、制药、真空、冶金、冶炼、自动化、食品、油气回收、水处理、暖通、楼宇自控等领域以及一般工业中配套压力表测量使用。
产品参数
产品型号 | X14F-16T |
阀体材质 | 黄铜 |
公称压力 | ≤1.6Mpa |
适用介质 | 水、气等 |
适用温度 | ≤80℃ |
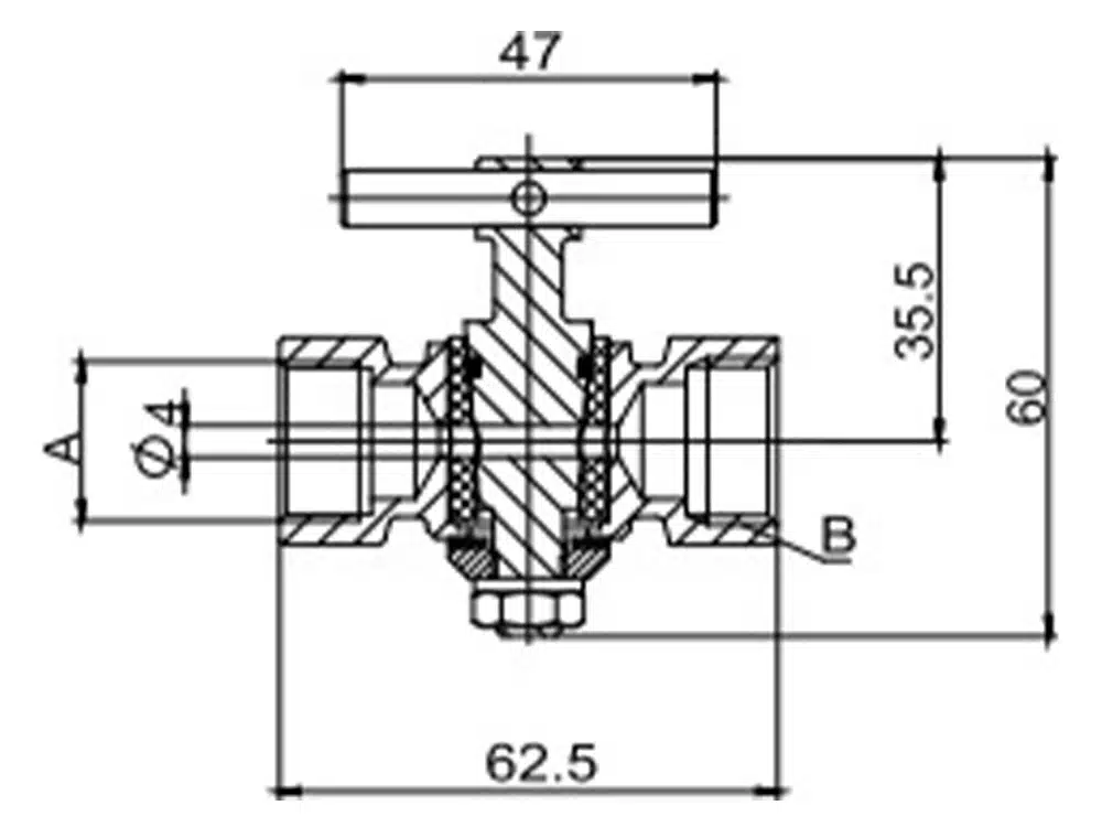
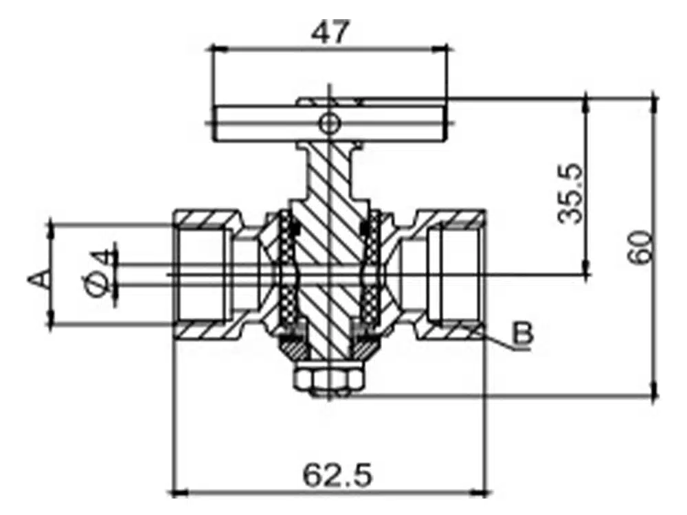
产品尺寸参考


















