Ortamın geri akışını önlemek ve yıkıcı su darbesini ortadan kaldırmak için pompanın çıkışına monte edilir ve boru hattı ağının güvenli çalışmasını garanti edebilen valf kapanmasının su darbesi basıncını etkili bir şekilde azaltabilir. Hafif valf kanadı, geniş açıklık, küçük sıvı direnci, su darbesi giderme mekanizmasının yeni tasarımı, güvenilir sızdırmazlık, uzun hizmet ömrü, sorunsuz çalışma, titreşim yok, gürültü yok ve benzeri özelliklere sahiptir.
Ürün Özellikleri
- Mikro dirençli yavaş kapanan çek valf, hafif valf kanadı, büyük açıklık, küçük güç tasarrufu kaybı, küçük sıvı direnci, su darbesi giderme mekanizmasının yeni tasarımı, kararlı ve güvenilir sızdırmazlık performansı, aşınmaya dayanıklı, uzun hizmet ömrü, sorunsuz çalışma özelliklerine sahiptir. titreşim yok, gürültü yok vb.
- Denge çekici cihazı ile donatılmıştır. Vana klapesi döndürüldüğünde su akışına karşı direnç küçüktür ve açma kuvveti, enerji tasarrufu sağlayan bir ürün olan orijinal döner açmalı tipin yalnızca beşte biri kadardır.
- Klape kapama strokunun ikinci kısmı bir sönümleme cihazı ile donatılmıştır ve sönümleme süresi ayarlanabilir, bu da yıkıcı su darbesi oluşumunu önler.
- Yeni kauçuk kaplı valf klapesi tasarımı, güvenilir sızdırmazlık, korozyon önleme, titreşim ve aşınma direnci, uzun servis ömrü, sorunsuz çalışma ve düşük gürültü.
Ürün Parametresi
Ürün Modeli | HH44X-16Q |
Valf gövde malzemesi | sfero döküm |
Nominal basınç | ≤1,6Mpa |
Uygulanabilir ortam | su ve benzeri |
Uygulanabilir sıcaklık | ≤80°C |
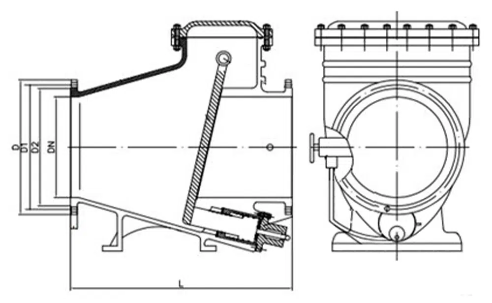
Ürün Boyut Referansı

bir cadde | L | D | D1 | D2 | n-φ |
DN40 | 290 | 145 | 110 | 105 | 4-18 |
DN50 | 290 | 165 | 125 | 122 | 4-18 |
DN65 | 290 | 185 | 145 | 138 | 4-18 |
DN80 | 310 | 200 | 160 | 158 | 8-18 |
DN100 | 350 | 220 | 180 | 188 | 8-18 |
DN125 | 350 | 250 | 210 | 212 | 8-18 |
DN150 | 480 | 285 | 240 | 268 | 8-23 |
DN200 | 500 | 340 | 295 | 320 | 12-23 |
DN250 | 600 | 405 | 355 | 378 | 12-25 |
DN300 | 700 | 460 | 410 | 428 | 12-25 |
DN350 | 800 | 520 | 470 | 490 | 16-26 |
DN400 | 900 | 580 | 525 | 550 | 16-30 |



















