Pirinç üç yollu tapa vanası, esas olarak basınç göstergesini, kolayca ayarlanabilen somun kilitleme yapısının altını, boru hattını bağlamak için 4 noktanın bir ucunu, basınç göstergesini bağlamak için M20 * 1.5'in diğer ucunu bağlamak için kullanılan piston şeklinde bir döner vanadır. Basınç göstergesi ile su depolama dirseği arasında, üç yollu bir tapa ile donatılmış, su depolama dirseğini, su basıncı test tablosunu ve çalışma basınç göstergesinin anahtarlanmasını, standart basınç göstergesinin kurulumunu ve kalibrasyonunu yıkamak için kullanılır. çalışma basınç göstergesi, aynı zamanda basınç göstergesinin yüklenmesi ve boşaltılması için önemli aksesuarlar için vazgeçilmezdir. Bir silme etkisi ile tapanın sızdırmazlık yüzeyi arasındaki hareket ve akan ortamla teması önlemek için tamamen açık, bu nedenle genellikle asılı parçacıklar içeren ortam için de kullanılabilir. Kanal portu üzerindeki valf tapası ve aynı veya ayrı kanal portu üzerindeki valf gövdesi 90 derece döndürülerek bir valfin açılması veya kapatılması sağlanır. Plug valf basit bir yapıya, hızlı anahtarlamaya, düşük sıvı direncine ve benzerlerine sahiptir.
Uygulama alanları
Isı, enerji santralleri, su, kentsel inşaat, belediye, petrol, petrokimya, yeni enerji, kağıt yapımı, madencilik, gaz, kimya, ilaç, vakum, metalurji, eritme, otomasyon, gıda, petrol ve gaz geri dönüşümü, su arıtma, HVAC, bina otomasyonu ve diğer alanların yanı sıra kullanılan basınç göstergelerinin ölçümünü destekleyen genel endüstride yaygın olarak kullanılmaktadır.
Ürün Parametresi
Ürün Modeli | X14F-16T |
Valf gövde malzemesi | Pirinç |
Nominal basınç | ≤1,6Mpa |
Uygulanabilir ortam | Su, gaz, vb. |
Uygulanabilir sıcaklık | ≤80°C |
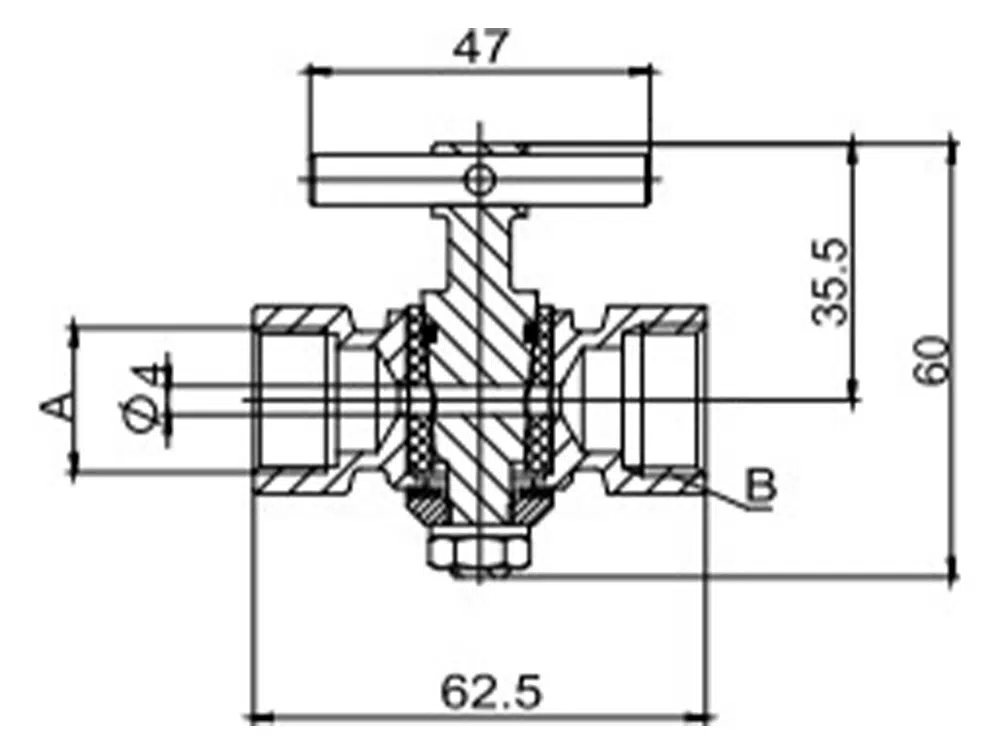
Ürün Boyut Referansı




















