铸钢波纹管截止阀采用波纹管密封的设计,完全消除了普通阀门阀杆填料密封老化快易泄露的缺点,不但提高了使用能源效率,增加了生产设备的安全性,减少了维修费用及频繁的维修保养,还提供清洁安全工作环境。
产品特点
- 产品结构合理、密封可靠,双重坚固耐用的波纹管密封设计(波纹管+填料),保证阀杆的不泄漏,没有流体损失。
- 密封面堆焊Co基硬质合金、耐磨、耐腐、抗摩擦性能好、使用寿命长。
- 阀杆调质及表面氮化处理,有良好的抗腐和抗摩擦性能;阀杆升降位置指示,更直观。
产品参数
产品型号 | WJ41H-16C |
阀体材质 | 铸钢 |
公称压力 | ≤1.6Mpa |
适用介质 | 水、蒸汽、油品等 |
适用温度 | ≤325℃ |
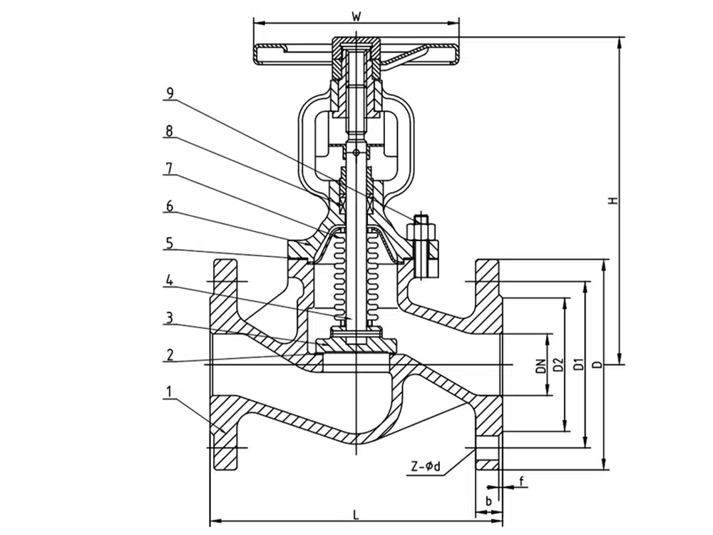
产品尺寸参考

DN | L | D | D1 | D2 | b | f | W | H | z-∅d |
15 | 130 | 95 | 65 | 45 | 16 | 2 | 120 | 230 | 4-14 |
20 | 150 | 105 | 75 | 58 | 18 | 2 | 140 | 230 | 4-14 |
25 | 160 | 115 | 85 | 68 | 18 | 2 | 140 | 230 | 4-14 |
32 | 180 | 140 | 100 | 78 | 18 | 2 | 160 | 230 | 4-18 |
40 | 200 | 150 | 110 | 88 | 18 | 3 | 180 | 260 | 4-18 |
50 | 230 | 165 | 125 | 102 | 20 | 3 | 180 | 260 | 4-18 |
65 | 290 | 185 | 145 | 122 | 20 | 3 | 200 | 270 | 4-18 |
80 | 310 | 200 | 160 | 138 | 22 | 3 | 220 | 300 | 8-18 |
100 | 350 | 220 | 180 | 158 | 22 | 3 | 280 | 370 | 8-18 |
125 | 400 | 250 | 210 | 188 | 22 | 3 | 320 | 400 | 8-18 |
150 | 480 | 285 | 240 | 212 | 22 | 3 | 350 | 460 | 8-22 |
200 | 600 | 340 | 295 | 268 | 24 | 3 | 450 | 640 | 12-22 |
250 | 730 | 405 | 355 | 320 | 26 | 3 | 500 | 800 | 12-26 |
300 | 850 | 460 | 410 | 378 | 28 | 4 | 550 | 900 | 12-26 |
350 | 980 | 520 | 470 | 438 | 30 | 4 | 600 | 1050 | 16-26 |
400 | 1100 | 580 | 525 | 490 | 32 | 4 | 650 | 1150 | 16-30 |

















