J41W-16P不锈钢法兰截止阀的启闭件是圆柱形的阀瓣,密封面呈平面或锥面,阀瓣沿流体的中心线作直线运动。J41W-16P截止阀只适用于全开和全关,一般不用来调节流量,定做时允许作调节和节流。
产品特点
- 结构简单,制造和维修比较方便。
- 工作行程小,启闭时间短。
- 密封性好,密封面间磨擦力小,寿命较长。
产品参数
产品型号 | J41W-16P |
阀体材质 | 304不锈钢 |
公称压力 | ≤1.6Mpa |
适用介质 | 水、蒸汽、油品等 |
适用温度 | ≤150℃ |
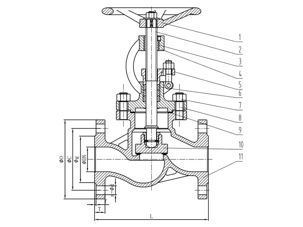
产品尺寸参考

通径 | L | O | C | g | T | f | n-φd |
DN15 | 130 | 95 | 65 | 45 | 14 | 2 | 4-14 |
DN20 | 150 | 105 | 75 | 55 | 14 | 2 | 4-14 |
DN25 | 160 | 115 | 85 | 65 | 14 | 2 | 4-14 |
DN32 | 180 | 135 | 100 | 78 | 16 | 2 | 4-18 |
DN40 | 200 | 145 | 110 | 85 | 16 | 3 | 4-18 |
DN50 | 230 | 160 | 125 | 100 | 16 | 3 | 4-18 |
DN65 | 290 | 180 | 145 | 120 | 18 | 3 | 4-18 |
DN80 | 310 | 195 | 160 | 135 | 20 | 3 | 8-18 |
DN100 | 350 | 215 | 180 | 155 | 20 | 3 | 8-18 |
DN125 | 400 | 245 | 210 | 185 | 22 | 3 | 8-18 |
DN150 | 480 | 280 | 240 | 210 | 24 | 3 | 8-23 |
DN200 | 600 | 335 | 295 | 265 | 26 | 3 | 12-23 |
DN250 | 650 | 405 | 355 | 320 | 26 | 3 | 12-26 |
DN300 | 750 | 460 | 410 | 355 | 28 | 3 | 12-26 |

















