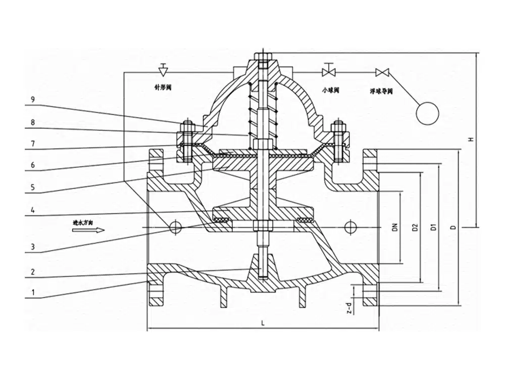
100X遥控浮球阀由主阀、针阀、球阀、浮球阀、微型过滤器等组成水力控制接管系统,调定后,自动控制液面高度。100X遥控浮球阀可以直接利用液面控制,不需要其它装置和能源,保养简便,液面控制准确度高,不受水压影响,密封可靠。广泛用于高层建筑、生活区等供水管网系统的水塔、水池等设施的液面控制。
工作原理
当管道从进水端给水时,由于针阀、球阀、浮球阀是常开的,水通过微型过滤器、针阀、控制室、球阀、浮球阀进入水池,此时控制室不形成压力,主阀开启,水塔(池)供水。当水塔(池)的水面上升至设定高度时,浮球浮起关闭浮球阀,控制室内水压升高,推动主阀关闭,供水停止。当水面下降时,浮球阀重新开启,控制室水压下降,主阀再次开启继续供水,保持液面的设定高度。
产品参数
产品型号 | 100X-16Q |
阀体材质 | 球墨铸铁 |
公称压力 | ≤1.6Mpa |
适用介质 | 水等 |
适用温度 | ≤80℃ |
产品尺寸参考

通径 | L | D | D1 | D2 | b | f | z-d |
DN40 | 215 | 150 | 110 | 88 | 18 | 3 | 4-18 |
DN50 | 215 | 165 | 125 | 102 | 18 | 3 | 4-18 |
DN65 | 230 | 185 | 145 | 122 | 18 | 3 | 4-18 |
DN80 | 255 | 200 | 160 | 138 | 20 | 3 | 8-18 |
DN100 | 290 | 220 | 180 | 158 | 20 | 3 | 8-18 |
DN125 | 285 | 250 | 210 | 188 | 22 | 3 | 8-18 |
DN150 | 365 | 285 | 240 | 212 | 22 | 3 | 8-22 |
DN200 | 430 | 340 | 295 | 268 | 24 | 3 | 12-22 |

















