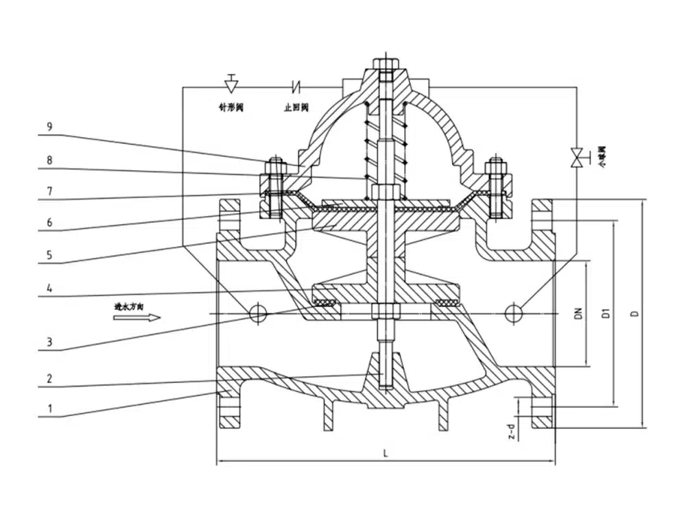
300X缓闭式止回阀由主阀、单向阀、针型阀、球阀、微形过滤器和压力表组成水力控制接管系统。利用水力自动操作,可使主阀得到迅速的开启或缓慢的关闭速度。防止水锺水击的产生,以达到缓闭消声的效果。当缓闭止回阀从进口端给水时,水通过微形过滤器、针型阀、单向阀进入主阀控制室,再经过球阀排水至下游。因为针型阀开度小于球阀开度,即主阀控制室的排水速度大于进水速度,因此控制室压力降低,作用于主阀盘下端的进口压力打开主阀向下游供水。当管道停止供水时,若下游水开始回流,一部分回流水经球阀进入主控制室,由于单向阀作用,回流水不能从主控制室流出,引起主控制室逐渐升压,缓缓关闭主阀。
性能特点
- 结构新颖合理、合理运用液压原理控制论。
- 工作平稳可靠、流量大。
- 阀瓣快开慢闭、无水锤冲击(关闭时间可调)。
- 止回密封效果好、使用寿命时间长。
- 安装维修方便。
产品参数
产品型号 | 300X-16Q |
阀体材质 | 球墨铸铁 |
公称压力 | ≤1.6Mpa |
适用介质 | 水等 |
适用温度 | ≤80℃ |
产品尺寸参考

通径 | L | D | D1 | D2 | b | f | z-d |
DN40 | 215 | 150 | 110 | 88 | 18 | 3 | 4-18 |
DN50 | 215 | 165 | 125 | 102 | 18 | 3 | 4-18 |
DN65 | 230 | 185 | 145 | 122 | 18 | 3 | 4-18 |
DN80 | 255 | 200 | 160 | 138 | 20 | 3 | 8-18 |
DN100 | 290 | 220 | 180 | 158 | 20 | 3 | 8-18 |
DN125 | 285 | 250 | 210 | 188 | 22 | 3 | 8-18 |
DN150 | 365 | 285 | 240 | 212 | 22 | 3 | 8-22 |
DN200 | 430 | 340 | 295 | 268 | 24 | 3 | 12-22 |

















