J11W-16P不锈钢内螺纹苏式截止阀通常应用在密封要求严格的场合,除控制气体、液体、蒸汽介质外,还适宜控制污水和含有纤维性杂质的介质。该产品具有结构紧凑、外形精美、性能、使用方便等诸多特点。适用于空气、蒸汽、水、气体、石油、腐蚀性介质等,广泛应用于石油、化工、冶金、轻工、造纸、制冷等工作领域。
产品参数
产品型号 | J11W-16P |
阀体材质 | 304不锈钢 |
公称压力 | ≤1.6Mpa |
适用介质 | 水、气、油品等 |
适用温度 | ≤120℃ |
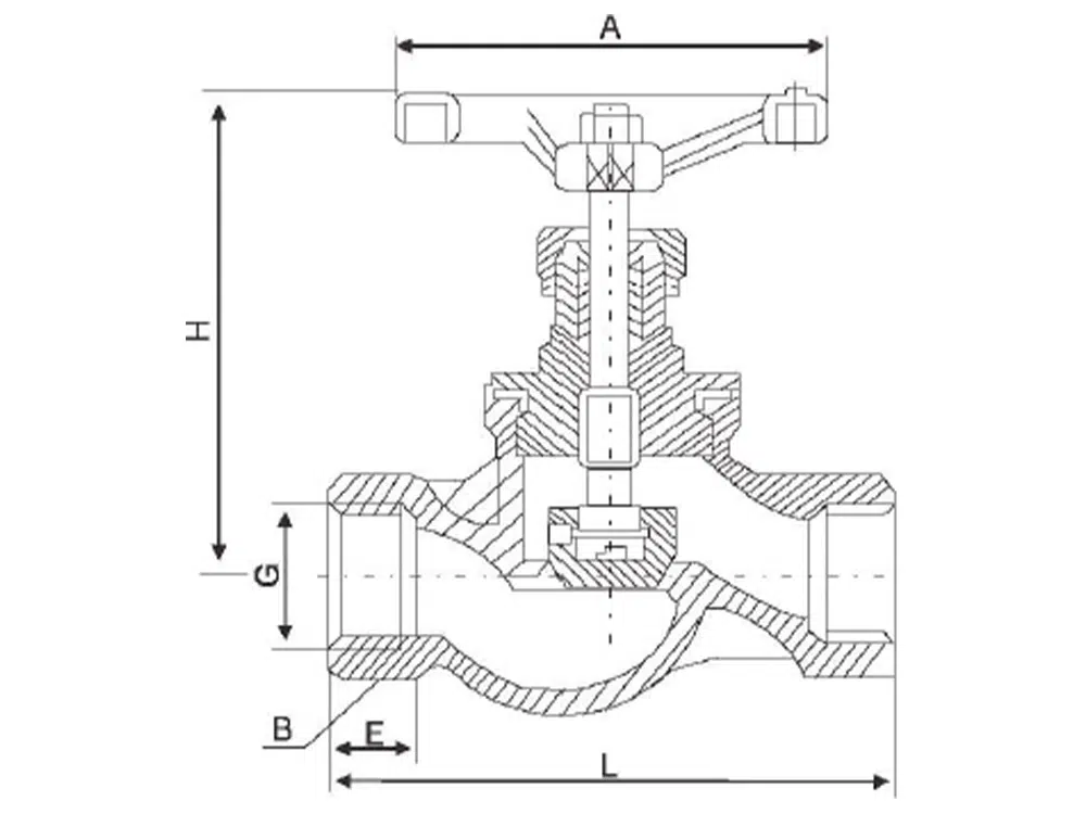
产品尺寸参考

通径 | G | L | E | B | H | A |
DN15 | 1/2 | 82 | 14 | 32 | 109 | 70 |
DN20 | 3/4 | 91 | 16 | 36 | 109 | 70 |
DN25 | 1 | 109 | 18 | 46 | 132 | 80 |
DN32 | 1-1/4 | 127 | 20 | 55 | 156 | 90 |
DN40 | 1-1/2 | 156 | 22 | 65 | 167 | 100 |
DN50 | 2 | 180 | 24 | 80 | 182 | 120 |
DN65 | 2-1/2 | 236 | 26 | 95 | 200 | 140 |









闽公网安备35058302350968号















