KRG difüzyon filtresi, boru dekontaminasyonu, filtrasyon, dirsek ve redüktörü entegre eden kapsamlı bir filtre olan yeni bir su pompası giriş filtresi türüdür. Difüzyon filtresinin kendisi akış yönünü dağıtabilir ve boru hattındaki akış hızını azaltabilir ve akış sürecinde akış hızını uygun şekilde azaltabilir ve ayrıca sıvının dağılmasını ve akış hızını iç kılavuz plakadan eşit olarak dağıtmasını sağlayabilir. su pompasının uzun süreli ve istikrarlı çalışmasını garanti eder.
Ana Özellikler
- Difüzyon filtresi doğrudan pompanın girişine monte edilir, pompa için dengeli bir su akışı sağlayabilen ve su akışını dengeleme, pompanın verimliliğini artırma ve pompanın ömrünü uzatma işlevi ile pompanın kanatlarını koruyabilen akış kılavuzu rolünü oynar.
- Difüzyon filtresi, basınç kaybını ve direnci azaltan ve çeşitli kurulum koşulları için uygun olan geniş filtreleme alanına sahip paslanmaz çelik filtre kullanır ve ayrıca yatay veya dikey olarak monte edilebilir, kurulum alanını ve inşaat maliyetlerini azaltır ve 90 derecelik dirsekleri, redüktör tüplerini, diğer filtreleri ve doğrultucu tüpleri değiştirme işlevine sahiptir.
Tesisat Borulama Şemalarının Karşılaştırılması
- Pompanın ağırlığını azaltmak için giriş borusunu kısaltın.
- Flanşlı bağlantılar kullanarak işçilik maliyetlerini azaltın.
- Daha kısa proje süresi ve kurulum için daha az alan.

Ortam Akış Hızı Dağılımının Şematik Karşılaştırması
- A ve B noktalarındaki akış yolu boru tesisatındaki keskin değişiklikler, pompa tarafından çekilen düzensiz akış hızları üretir, değişken ağır yükler, titreşimler ve yüksek sesle kavitasyon oluşturur ve pompanın ömrünü etkiler.
- Difüzyon filtrelerinin montajı, boru hattının akış hızını etkilemeden boru hattındaki akış hızını azaltır ve pompanın uzun vadeli istikrarlı çalışmasını sağlamak için akış hızını dahili deflektör plakasından eşit olarak dağıtır.

Uygulama alanları
Yaygın olarak kullanılanlar: mekanik ekipman, kimyasal ekipman, genel parçalar, endüstriyel ekipman, farmasötik ekipman, genel ekipman, petrokimya ekipmanı. Güç ekipmanı, metalurjik toz ekipmanı, madencilik ekipmanı, belediye ekipmanı ve elektronik endüstriyel ekipman.
Ürün Parametresi
Ürün Modeli | KRG-16C |
Valf gövde malzemesi | karbon çeliği |
Nominal basınç | ≤1,6Mpa |
Uygulanabilir ortam | su ve benzeri |
Uygulanabilir sıcaklık | ≤80°C |
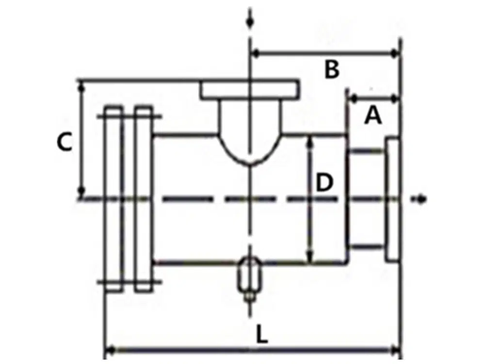
Ürün Boyut Referansı

bir cadde | A | B | C | D | L (flanşsız) | kanalizasyon çıkışı |
DN100 | 100 | 275 | 220 | 219 | 450 | DN25 |
DN125 | 100 | 290 | 237 | 219 | 480 | DN25 |
DN150 | 110 | 325 | 240 | 273 | 540 | DN25 |
DN200 | 120 | 380 | 309 | 325 | 640 | DN32 |
DN250 | 130 | 455 | 333 | 377 | 780 | DN32 |
DN300 | 130 | 480 | 369 | 426 | 830 | DN40 |
DN350 | 150 | 550 | 415 | 478 | 950 | DN40 |
DN400 | 170 | 620 | 485 | 529 | 1070 | DN40 |















