H41W kaldırma çek valfi, boru hattı ortamını bağlamak veya kesmek için açma ve kapama cihazını kontrol etmek için çeşitli basınçlar, sıcaklıklar ve ortamlar altında orta ve küçük çaplı boru hattı için uygundur; akışkan geri akışını otomatik olarak durdurmak için valf kanadının kendi ağırlığına ve akışkan basınç farkına güvenir. su arıtma, kimya endüstrisi, petrokimya endüstrisi, petrol, kağıt yapımı, madencilik, elektrik enerjisi, sıvılaştırılmış petrol gazı, gıda, ilaç endüstrisi, su temini ve drenaj, belediye yönetimi, elektronik endüstrisi, kentsel inşaat, çevre koruma, yangınla mücadele, ısıtma ve soğutma, merkezi klima, filtrasyon ekipmanı ve diğer alanlar. çevre koruma, yangından korunma, HVAC, merkezi klima, filtrasyon ekipmanı ve diğer alanlar.
Yapısal özellikler
- Kaldırma çek valfi basit yapı, güvenilir hareket, kolay bakım ve benzeri avantajlara sahiptir.
- Valf gövdesi okundan gelen ortam valf gövdesine akış yönünü gösterdiğinde, ortamın basıncı yukarı doğru itme üretmek için valf kanadı üzerinde hareket eder, ortam itme valf kanadının yerçekiminden daha büyük olduğunda, valf açılır. Valften sonraki ortamın valf kuvveti artı valfin kendi yerçekimi üzerindeki basıncı, valf kuvveti üzerindeki valften önceki basınçtan daha büyük olduğunda, ortam geri akışını durdurmak için valf kapanır.
- Sızdırmazlık yüzeyinin aşınması kolay değildir, aşınma, daha iyi sızdırmazlık, daha uzun ömür.
Ürün Parametresi
Ürün Modeli | H41W-16P |
Valf gövde malzemesi | 304 paslanmaz çelik |
Nominal basınç | ≤1,6Mpa |
Uygulanabilir ortam | Su, buhar, yağ vb. |
Uygulanabilir sıcaklık | ≤150°C |
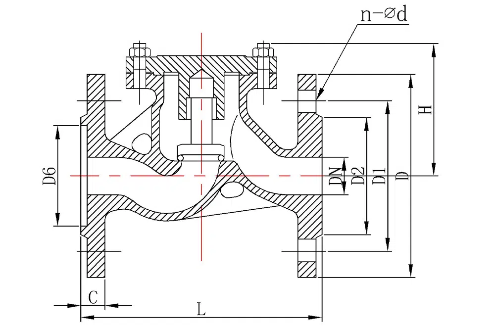
Ürün Boyut Referansı

bir cadde | L | D | D1 | D2 | C | n-∅d | H |
DN15 | 130 | 95 | 65 | 45 | 14 | 4-14 | 77 |
DN20 | 150 | 105 | 75 | 55 | 14 | 4-14 | 77 |
DN25 | 160 | 115 | 85 | 65 | 14 | 4-14 | 80 |
DN32 | 180 | 135 | 100 | 78 | 16 | 4-18 | 85 |
DN40 | 200 | 145 | 110 | 85 | 16 | 4-18 | 95 |
DN50 | 230 | 160 | 125 | 100 | 16 | 4-18 | 105 |
DN65 | 290 | 180 | 145 | 120 | 18 | 4-18 | 120 |
DN80 | 310 | 195 | 160 | 135 | 20 | 8-18 | 130 |
DN100 | 350 | 215 | 180 | 155 | 20 | 8-18 | 140 |
DN125 | 400 | 245 | 210 | 185 | 22 | 8-18 | 155 |
DN150 | 480 | 280 | 240 | 210 | 24 | 8-23 | 180 |
DN200 | 600 | 335 | 295 | 265 | 26 | 12-23 | 211 |
DN250 | 650 | 405 | 355 | 320 | 30 | 12-25 | 260 |
DN300 | 750 | 460 | 410 | 375 | 30 | 12-25 | 323 |
DN350 | 850 | 520 | 470 | 435 | 30 | 16-25 | / |
DN400 | 950 | 580 | 525 | 485 | 36 | 16-30 | / |



















