Körüklü conta tasarımına sahip dökme çelik körüklü kapatma vanası, sıradan valf gövdesi salmastra contasının yaşlanmasını hızlı ve kolay bir şekilde ortadan kaldırarak, sadece enerji verimliliğini artırmakla kalmaz, üretim ekipmanının güvenliğini artırır, bakım maliyetlerini ve sık bakımı azaltır, aynı zamanda temiz ve güvenli bir çalışma ortamı sağlamak için.
Ürün Özellikleri
- Ürün, valf gövdesinde sızıntı ve sıvı kaybı olmamasını sağlamak için makul bir yapıya, güvenilir sızdırmazlığa, çift sağlam körüklü sızdırmazlık tasarımına (körük + salmastra) sahiptir.
- Conta yüzey kaplaması Co bazlı sert alaşım, aşınmaya dayanıklı, korozyona dayanıklı, sürtünme önleyici performans, uzun servis ömrü.
- Valf gövdesi temperleme ve yüzey nitrürleme işlemi, iyi korozyon önleyici ve sürtünme önleyici performansa sahiptir; gövde kaldırma konumu göstergesi, daha sezgisel.
Ürün Parametresi
Ürün Modeli | WJ41H-16C |
Valf gövde malzemesi | dökme çelik |
Nominal basınç | ≤1,6Mpa |
Uygulanabilir ortam | Su, buhar, yağ vb. |
Uygulanabilir sıcaklık | ≤325°C |
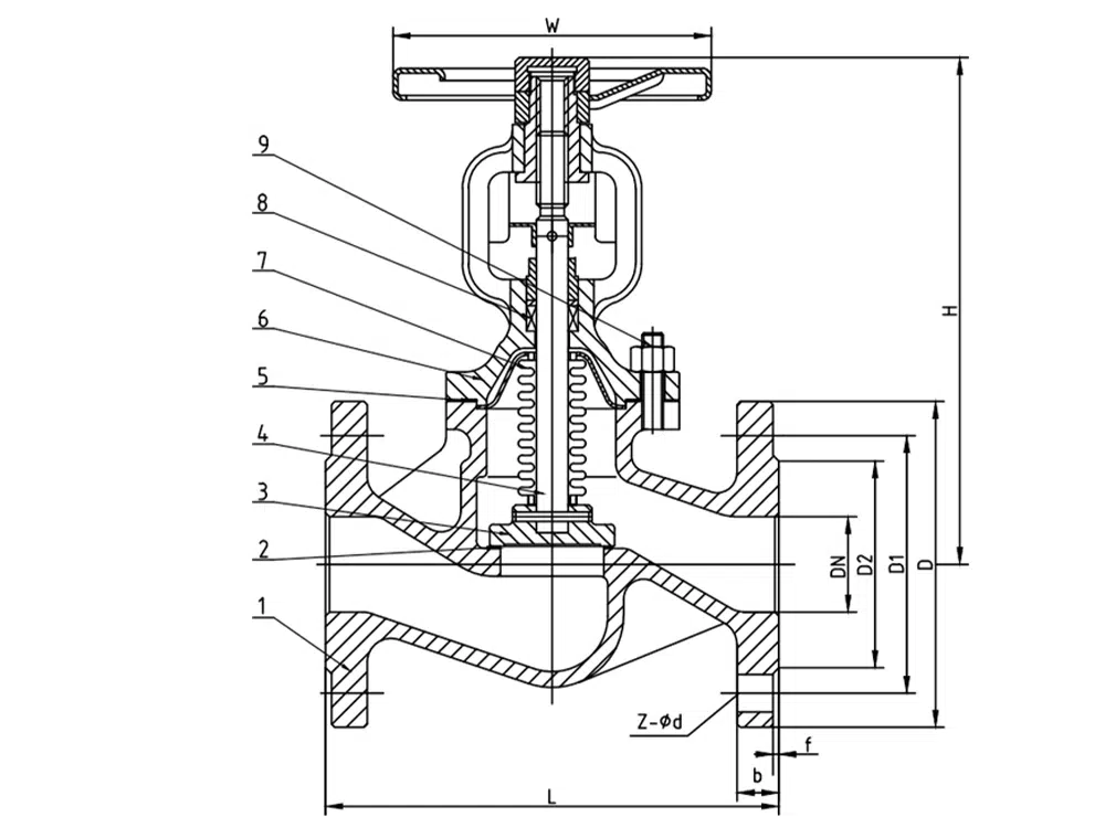
Ürün Boyut Referansı

DN | L | D | D1 | D2 | b | f | W | H | z-∅d |
15 | 130 | 95 | 65 | 45 | 16 | 2 | 120 | 230 | 4-14 |
20 | 150 | 105 | 75 | 58 | 18 | 2 | 140 | 230 | 4-14 |
25 | 160 | 115 | 85 | 68 | 18 | 2 | 140 | 230 | 4-14 |
32 | 180 | 140 | 100 | 78 | 18 | 2 | 160 | 230 | 4-18 |
40 | 200 | 150 | 110 | 88 | 18 | 3 | 180 | 260 | 4-18 |
50 | 230 | 165 | 125 | 102 | 20 | 3 | 180 | 260 | 4-18 |
65 | 290 | 185 | 145 | 122 | 20 | 3 | 200 | 270 | 4-18 |
80 | 310 | 200 | 160 | 138 | 22 | 3 | 220 | 300 | 8-18 |
100 | 350 | 220 | 180 | 158 | 22 | 3 | 280 | 370 | 8-18 |
125 | 400 | 250 | 210 | 188 | 22 | 3 | 320 | 400 | 8-18 |
150 | 480 | 285 | 240 | 212 | 22 | 3 | 350 | 460 | 8-22 |
200 | 600 | 340 | 295 | 268 | 24 | 3 | 450 | 640 | 12-22 |
250 | 730 | 405 | 355 | 320 | 26 | 3 | 500 | 800 | 12-26 |
300 | 850 | 460 | 410 | 378 | 28 | 4 | 550 | 900 | 12-26 |
350 | 980 | 520 | 470 | 438 | 30 | 4 | 600 | 1050 | 16-26 |
400 | 1100 | 580 | 525 | 490 | 32 | 4 | 650 | 1150 | 16-30 |



















